EasyManua.ls Logo

Yamaha FJR1300A(D) - Page 661

Yamaha FJR1300A(D)
662 pages
Print Icon
To Next Page IconTo Next Page
To Next Page IconTo Next Page
To Previous Page IconTo Previous Page
To Previous Page IconTo Previous Page
Loading...
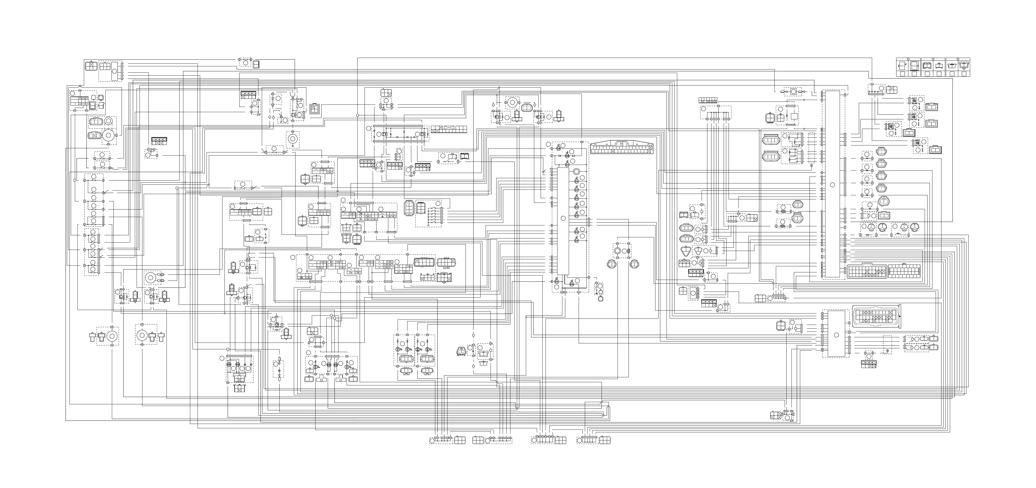
FJR1300A(D) 2013
WIRING DIAGRAM
FJR1300A(D) 2013
SCHÉMA DE CÂBLAGE
FJR1300A(D) 2013
SCHALTPLAN
FJR1300A(D) 2013
SCHEMA ELETTRICO
FJR1300A(D) 2013
DIAGRAMA ELÉCTRICO
PULL
PRESS
PULL
MODE
MENU
PASS
RES
SET
P
ON
OFF
C C
B
B
A
A
(B)
(B)
Br/RBr/L
R
B/W
Y/L
R/W
G/B
B
B
Lg
R/G
R
B
WWW
Br/G
L/R
R/W
R/W
Br
L
R
R
R
Br/L
Br/R
P
Br
R/Y
R/W
R
G/L
Y/W
Br/B
G/Y
R/W
Y/L
L
B
Y
L
Ch Dg
L/R
Y
Y
Br B
Lg/B
G/W
G/Y
Lg/B
B
Y
B
L/R
L
B
BBBB
G
Lg/B
G/W
G/Y
Lg/L
Y/W
G
B
Y/WG/W
G/YY/B
G
YBr
B
G/Y
G/W
G/WY/WW/G
G/YY/B
Y/W
B/WB L/RBr/Y
Br/G
R/W
R/BW/L
Y/BB/Y
Br G/Y
Y/W
Y/B
G/W
Y/B
Y/B
W/L
B/Y
B/Y
B/Y
W/L
W/L
B/R
L/GB
B
B/W
B
P/W
Br Br
Br/G
BrBr R R
L/W
L/W
R/B
Sb/WBr/WL/W
R/WW/L
B/Y
Sb B/R
B/R
G/W
L/GR/L
L/Y
L/W
L/W
L/W
L/W
R/W
B
B
B/G
B/G
B
B
B
B
B
R/G
R/W
RR
Br
L/R
L/R
L/R
L/RL/R
L/R
RR
L/RGYGY
B/W
Br/WBr/W
Br/BBr/B
B/W
B
Br Br
B
GG
B
B
B
Br
Br
Br
B
Br/B
Br/Y
B/W
B/W
B/W
B/W
B/W
B/W
B/W
B/W
B/W
B
/W
B/W
B/W
B/W
B/WBB
B/W
B/WB/W
B/LB B B B B
B/WB/L
B/W
G/R
W
BB/W
W
B/W
B/R
L/W
Y/W
B/Y
Sb/W
G/W
L/B
L/R
R/LG/W
B/W
L/R
G/W
G/Y
L/W
W/Y
L/Y
W/L
G/R
B/W
B/G
B/WB/WB/W
Y
W
Gy
B
W
W
Gy
B
W
W
Gy
L/B
Sb
L/R
L/B
Sb
Br/W
R/L
R/W
L/RL/R
R/G
B/W
L/B
L/R
L/R
R/L
R/L
R/L
R/L
R/L
R/L
L/B
L/B
L/B
B/L
Y/G
L
B/L
W/B
L/Y
L
W
B/L
L
P
L
P/W
B/L
B/L
Gy
B
Gy/W
LL
LL
L
B/L
B/LG/W
Br/W
P
W
B
L
Gy
Y/LY/L
R/W
Y/L
L/W
B/L
W
B
L
B/L
L/Y
W/R
B/R
B/Y
Gy/W
W/G
L
B/L
Br/W
G/W
P/W
L/B
L/R
P
B
B
B
W/B
Y/G
R/L
L/Y
W/Y
W
B
L
B/L
W
B
L
B/L
Br/W
R/BR/B
R/B
R/B
R/B
O
R/B
B/LB/L
B/L
B/L
B/L
B/L
B/L
B/L
B
BP
WB
GyR
LB
BP/B
Br/G
Br
R
Sb
P
B/R
R/G
R/G
R/G
R/W
G/B
L/W
Y/W
B/Y
P/B
P/W
Br/Y
W/Y
W/B
W/G
W/R
W/L
Ch
Y
Dg
Br/W
Br/W
Br/B
Br/B
P
PG/L
R/Y
Y/B
O/WG/LB
r/LL/BY
B
W/LB/W
W/RW
/GW/BW/Y
L/R
B/W
B/W
G/Y
Y/W
W/R
Lg/B
Lg/L
G/L
Br/L
O/W
Y/R
R/L
Y/R
Lg/R
Br/R
O/B
G/B
L/B
R/B
Gy Gy
R/B
O/G
O/G
R/B
Gy/R
R/B
Gy/R
O
Br/R
O/B
G/B
L/B
R/BR/L
R/L
R/L
R/L
R/L
Y/R
Lg/R
Y/RYBBYB
L
B
B
G/L
L/B
Br/W
Br/B
Br/B
Br/L
Br/L
Y/L
R/L
R/W
Br/W
Br/W
R/G
R/G
R/L
R/Y
L/R
R/W
R/W
RR
RR
R
R/W
R/G
R/G
B/G
L/W
Y/B
B
Y/LLgR/W
R/G
B
Br/R
R
Br/L
R
R
W
WW
B
R
W
B
L
(B)
W
B
W
L/Y
B/L
B
L
(B)
B
L
(B)
(B)
W
Gy
(B)
W
Gy
(B)
BB
(B)
BB
(Gy)
B
Br/Y
(B)
Br
GB
Y
P
Sb
Y/W
L/WB/R
B/Y
BB
BGy
Br
Y/B
G/Y
G/W
B/W
Br/G
W/G
L/R
R/B
B
R/W
W/L
W/G W/R
B
L/B
P
R/Y
Y
O/W
Y/BW/BW/Y
W/LB/WG/LBr/LL/R
A B C D
A
A
B
A
C
R
Br/L
B
L
Y
Ch
Dg
Y/BG/Y
Y/WG/W
(B)(B)
Lg/LY/W
GB
B
L/R
B
L/R
RB
RB
YB
G
(B)
YB
G
(B)
W
B/YB/YB/Y
L/RL/RL/R
L/BL/BL/B
W/LW/LW/L
B/RB/R
G/W
R/GR/GR/G
B/WB/W
R/WR/W
B/WB/WB/W
B/WB/WB/W
(B)
B
L
L/RL/B
R/GB/W
(B)
BW
(B)
WGy
Y/GB/L
L
B
Y/L
Gy
R/B
Gy/R
R/B
O/G
R/B
O
R/B
Y/R
Lg/R
(B)
L/WL/W
L/WL/W
L/W
R/LR/LR/L
R/LR/LR/L
BBB
B
B/L
B
B/WB/W
B/W
LLL
LL
L/R
L/R
L/RL/R
L/R
B
B/WB/W
B/WB
B/W
B/WB/W
B/WB/WB/W
B/L
Y/BB/Y
Y/WG/W
L
W/B
B/L
R
L/WR/W
(B)
(B)
O/GG/Y
L/YL/B
Gy/RY/W
B
B
GyO
P
G/B
R/B
W/RW/R
Lg/RY/RR/L
L
B/W
O/BBr/RBr/WR/W
(B)
Y/R
B/R
B/L
B/LB/L
Y/L
B/YY/GL/YGy
W/Y
B/WP/WW/GLg/L
Lg/B
PLL
L/RR/LW/B
W
BB
W
O/W
Br/LBr/W
G/L
L/W
L/B
Gy/WG/W
R/BR/B
R/BR/BR/B
R/Y
R/WY/W
G/L
Sb
B/W
L/RL/B
W/GB/W
L/RBr/Y
Br/R
(B)
B
Br/B
B/LBB/L
B/LB/L
B/LB/LB/LB/L
B/L
Gy/W
L/G
B/W
Dg Y
Ch B
L/R
(L)
B/L
PL
(L)
B/L
P/W
L
(B)
B/L
Br/W
B/WR/G
Y/L
G/BR/W
(B)
Br/WBr/WB/W
(B)
Br/BBr/BB/W
R/B
R/W
W/L
B
Y
BP
W/RW/G
G/LL/B
Y/W
B/RL/W
Sb
P
B/Y
(Gy)
R/L G/B
(Gy)
R/L
O/B
(Gy)
R/L R/B
(Gy)
R/L L/B
Br R
Br B
R/L
B
G/WB/W
G/WY/W
G/YY/B
(B)
RP
Gy
B
(B)
WL
B/L
B
(B)
B/L
G/W
(B)
WL
B/L
B
(B)
Br/R
R/L
(B)
(B)
(B)
(Gy)
W/YW/B
Y/B
O/W
L/RBr/LG/LW/L
B/W
(B)
(B)
R/WW/LW/GW/RG/WL/RL/BG/BG/RR/GR/GR/GCh
Br/BBr/WBr/BBr/WB/RL/WY/WB/YP/WP/BBr/YW/YW/BB/WB/W
P
Dg
Sb/W
YW
(Gy)
R
Br
B
B/G
B/G
B
R
Br
BBr
BBr
(Gy)
YB
(B)
Y
Y/R
(Gy)
B/W
B/G
L/Y
L/B
L/R
W/LG/YBr/W
Sb
B/WG/R
Gy
W
Y
G/WL/WR/W
R/L
W/Y
WB
Lg/B
BBr
Y
Br
P/WBr/G
B
Br
Br
P/B
Br/G
B
R
L/B
BG
Y
G/L
R
R/W
G/Y
Br/B
G/Y
G/W
B
Lg/B
Br/WL/WR/BR/LW/L
L/W
L/Y
R/WL/GB/R
B/Y
Sb/W
Sb
Br BrBGGB
G/W
G/Y
Y/W
Y/B
(B)
(B)
(B) (B)
(B)
(B)
(B)
(B)
(Dg)
(Y)
(B)
(B)
(B)
(B)
(B)
1
2
3
4
5
5
5
5
5
5
5
5
5
5
5
5
5
5
5
5
5
5
5
6
7
8
9
10
11
12
13
14
15
16
17
18
19
20
21
22
23
24
25
26
27
28
29
30
31
32
33 34
35
36
37
38
39
40
41
42 43 44
45
46
47
48
49
50
51
52
53 54
55
56
57
58 59 60
61
62
63 63
6464
65
66
67
68
69
70
71
72
73
74
75
76
77
78
79
80
81
82
83
84
85
86
87
88
89
90
101
102
103
104
105
106
107
107
107
107
108
109
110
91
92
93
94
95
96
97
98
99
100
111
112
113
114
115
116
117
118
119

Table of Contents

Related product manuals