EasyManua.ls Logo

YASKAWA SGDV-OCA05A

YASKAWA SGDV-OCA05A
576 pages
To Next Page IconTo Next Page
To Next Page IconTo Next Page
To Previous Page IconTo Previous Page
To Previous Page IconTo Previous Page
Loading...
4.3 Wiring the Power Supply to the SERVOPACK
4.3.4 Power Supply Wiring Diagrams
4-20
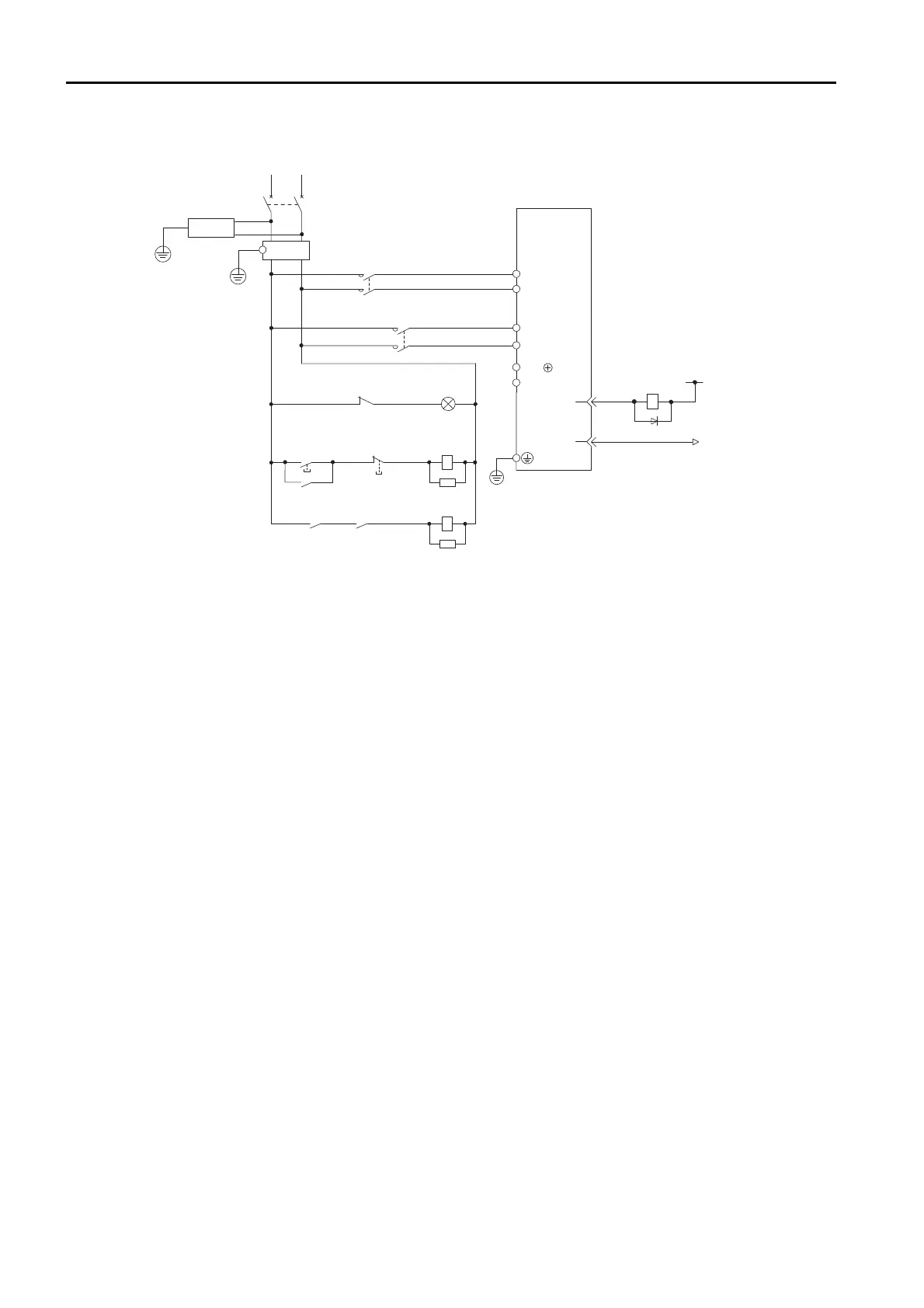
Wiring Example for Single-Phase, 100-VAC Power Supply Input: SGD7S-R70F, -R90F,
-2R1F, or -2R8F
2KM
L1
SERVOPACK
0 V
1Ry
+
3
4
1D
B2
L2
CN1
1KM
L1C
L2C
1QF
R
T
1FLT
+24 V
3SA
B1/
1QF:
1FLT:
1KM:
2KM:
Molded-case circuit breaker
Noise Filter
Magnetic Contactor
(for control power supply)
Magnetic Contactor
(for main circuit power supply)
1Ry:
1PL:
1SA:
2SA:
3SA:
1D:
Relay
Indicator lamp
Surge Absorber
Surge Absorber
Surge Absorber
Flywheel diode
(For servo alarm
display)
1PL
1KM
2KM
1SA
Servo power
ON
Servo power
OFF
2SA
1KM
1Ry
1KM
ALM
ALM
1Ry

Table of Contents

Related product manuals