EasyManua.ls Logo

YASKAWA SGDV-OCA05A

YASKAWA SGDV-OCA05A
576 pages
To Next Page IconTo Next Page
To Next Page IconTo Next Page
To Previous Page IconTo Previous Page
To Previous Page IconTo Previous Page
Loading...
4.3 Wiring the Power Supply to the SERVOPACK
4.3.4 Power Supply Wiring Diagrams
4
Wiring and Connections
4-21
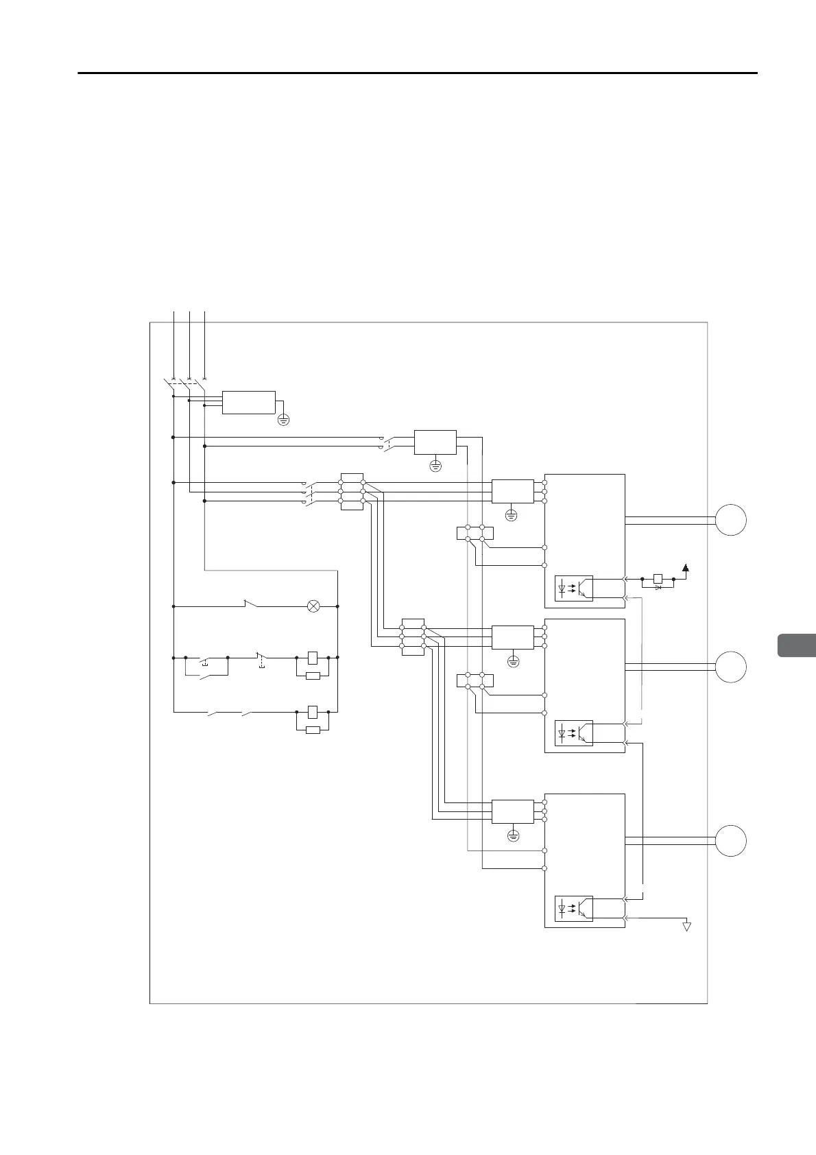
Using More Than One SERVOPACK
Connect the ALM (Servo Alarm) output for these SERVOPACKs in series to operate the alarm
detection relay (1RY).
When a SERVOPACK alarm is activated, the ALM output signal transistor turns OFF.
The following diagram shows the wiring to stop all of the Servomotors when there is an alarm
for any one SERVOPACK.
More than one SERVOPACK can share a single Noise Filter. However, always select a Noise Fil-
ter that has a large enough capacity to handle the total power supply capacity of all the
SERVOPACKs. Be sure to consider the load conditions.
R S T
1QF
2KM
1Ry
+24 V
L1
L2
L3
L1C
0 V
L2C
M
L1
L2
L3
L1
L2
L3
L1C
1D
L2C
M
M
L1C
L2C
3SA
1PL
1KM
2KM
1SA
2SA
3
4
CN1
1KM
1Ry
1KM
ALM+
ALM
3
4
CN1
ALM
3
4
CN1
ALM
1Ry
ALM+
ALM+
2FLT
3FLT
4FLT
Power supply
SERVOPACK
Servomotor
Servomotor
Servomotor
SERVOPACK
SERVOPACK
Relay
terminal
Relay
terminal
Relay
terminal
Relay
terminal
(For servo alarm
display)
Servo power
ON
Servo power
OFF
1QF: Molded-case circuit breaker
1FLT: Noise Filter
2FLT: Noise Filter
3FLT: Noise Filter
4FLT: Noise Filter
1KM: Magnetic Contactor
(for control power supply)
2KM: Magnetic Contactor
(for main circuit power supply)
1Ry: Relay
1PL: Indicator lamp
1SA: Surge Absorber
2SA: Surge Absorber
3SA: Surge Absorber
1D: Flywheel diode
1KM
1FLT

Table of Contents

Related product manuals