EasyManua.ls Logo

Bertolini 417 S - Page 10

Default Icon
Print Icon
To Next Page IconTo Next Page
To Next Page IconTo Next Page
To Previous Page IconTo Previous Page
To Previous Page IconTo Previous Page
Loading...
54
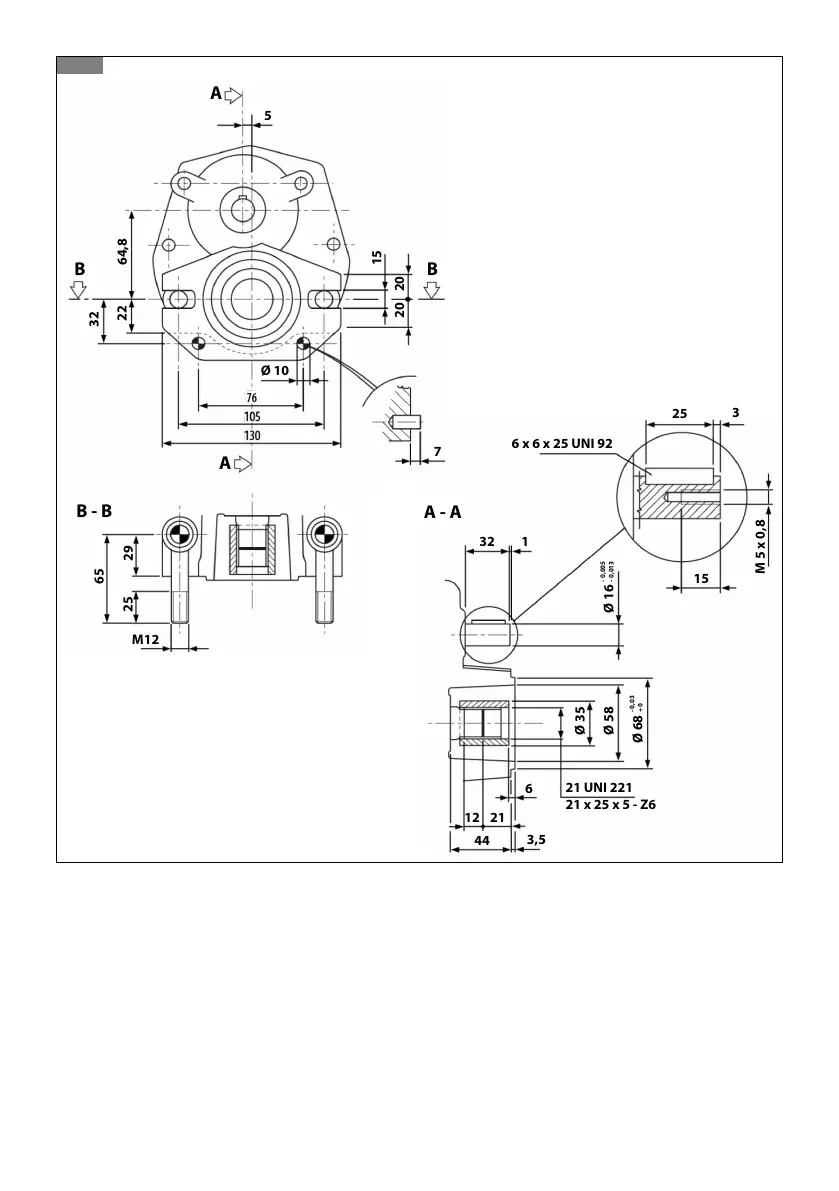
A - A
32 1
Ø 16
- 0,005
- 0,013
6
12
21
44
3,5
15
25
3
M 5 x 0,8
21 UNI 221
21 x 25 x 5 - Z6
Ø 35
Ø 58
- 0,03
+ 0
Ø 68
6 x 6 x 25 UNI 92
15
20 20
5
BB
32
22
A
A
Ø 10
64,8
7
M12
25
29
65
B - B
10

Table of Contents

Related product manuals