EasyManua.ls Logo

Ceia THS/21 - Ths;Xx21

Ceia THS/21
210 pages
Print Icon
To Next Page IconTo Next Page
To Next Page IconTo Next Page
To Previous Page IconTo Previous Page
To Previous Page IconTo Previous Page
Loading...
3
FI002K0018v1530hUK – THS/21 Instruction manual for installation, use and maintenance
INSTALLATION
100 ORIGINAL INSTRUCTION
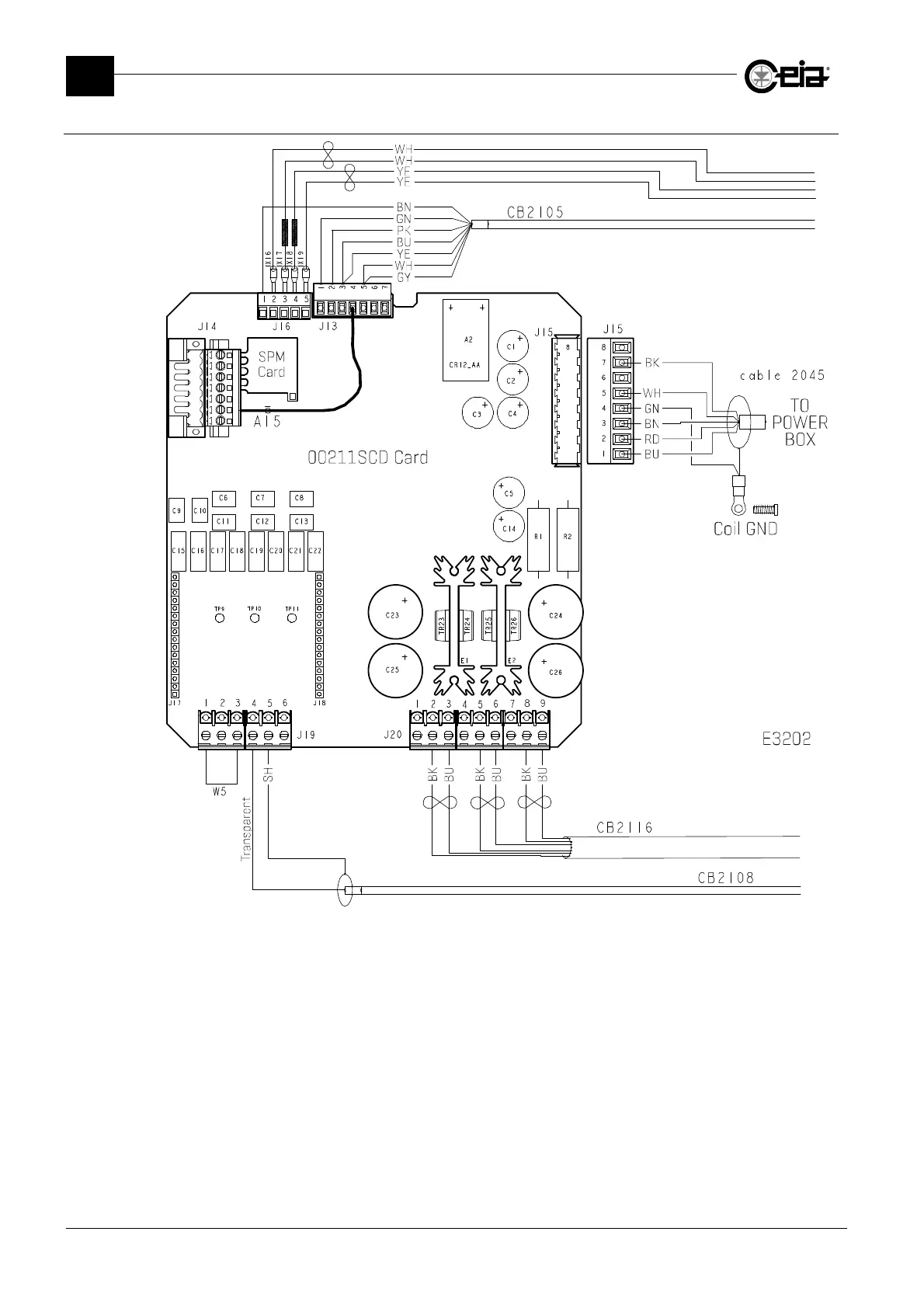
3.6.3.3 THS/xx21

Table of Contents

Other manuals for Ceia THS/21

Related product manuals