EasyManua.ls Logo

Ceia THS/21 - Conveyor Control System

Ceia THS/21
210 pages
Print Icon
To Next Page IconTo Next Page
To Next Page IconTo Next Page
To Previous Page IconTo Previous Page
To Previous Page IconTo Previous Page
Loading...
3
FI002K0018v1530hUK – THS/21 Instruction manual for installation, use and maintenance
INSTALLATION
88 ORIGINAL INSTRUCTION
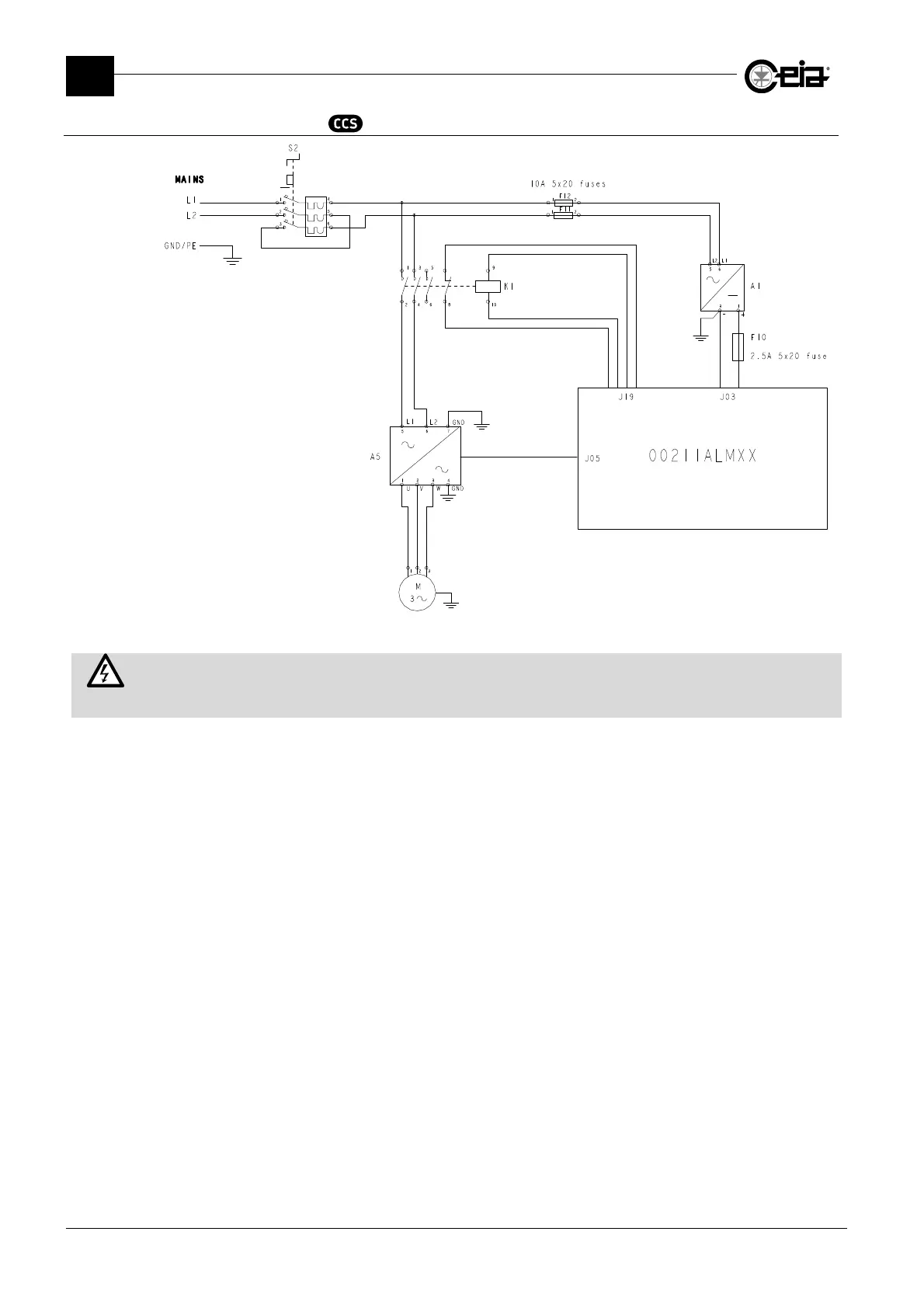
3.6.1.2 Conveyor Control System
MAINS: 200-240Vac – 50/60Hz (100-120Vac for 115V version)
MAIN OVERCURRENT PROTECTION TO BE PROVIDED ON
SITE
-
MAX 15 A CC CLASS FUSE FOR UL508A APPLICATIONS
-
MAX 16 A FUSE FOR CE APPLICATIONS
PROTECTION DE LIGNE A MAXIMUM DE COURANT A
INSTALLER SUR LE SITE
-
FUSIBLE CLASS CC 15A MAX POUR APPLICATION UL508A
-
FUSIBLE 16A MAX POUR APPLICATION CE

Table of Contents

Other manuals for Ceia THS/21

Related product manuals