EasyManua.ls Logo

CENNTRO LOGISTAR 100 - Steering System; Power Steering

Default Icon
468 pages
Print Icon
To Next Page IconTo Next Page
To Next Page IconTo Next Page
To Previous Page IconTo Previous Page
To Previous Page IconTo Previous Page
Loading...
Steering system
208
10. Steering system
10.1 Power steering
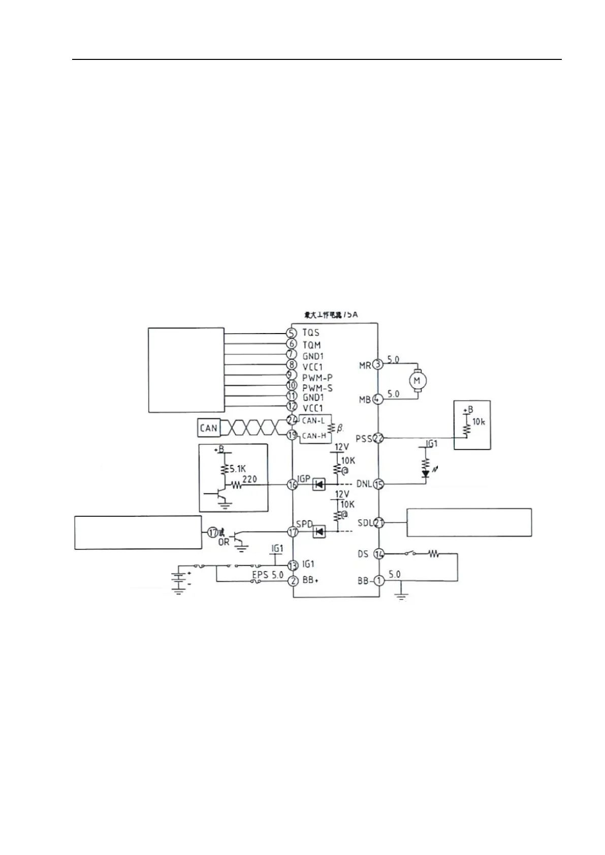
10.1.1 Overview
The electric power steering system (EPS) consists of an electric power steering module,
a vehicle speed sensor, a noise suppressor, and other components installed in the steering
column. The EPS module of the system determines the magnitude and direction of steering
assistance based on the signals from the torque sensor and the vehicle speed sensor, and
drives the motor to assist in steering operations.
Control schematic diagram
TORQUE SENSOR
MOTOR
ENGINE SPEED SIGNAL
ENGINE ECU
DIAGNOSIS LAMP
SERIAL DATA LINK (K-LINE)
Zero calibration of the steering
wheel when the entire vehicle is
offline
ABS VEHICLE SPEED SIGNAL
BODY & GND
BATTERY
SYSTEM WIRING DIAGRAM
BODY
LED
See Note 1
See Note 1
MAIN IG. SWCOIL
Maximum working current
75A
See Note 2

Table of Contents