EasyManua.ls Logo

Delta MH300 Series - Page 203

Delta MH300 Series
1030 pages
To Next Page IconTo Next Page
To Next Page IconTo Next Page
To Previous Page IconTo Previous Page
To Previous Page IconTo Previous Page
Loading...
Chapter 8 Option CardsMH300
8-14
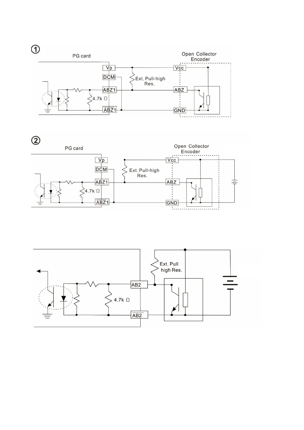
PG1 Wiring Diagram
Figure 8-46 and Figure 8-47 show the wiring diagrams for using open collector encoder.
Figure 8-46
Figure 8-47
PG2 Wiring Diagram
Figure 8-48
Ext. Power
(
5
24V
)
Ext. Power
(
5
24V
)
5~12V

Table of Contents

Related product manuals