EasyManua.ls Logo

Dieci SAMSON AGRI MAX - Wiring Diagram Sheets

Dieci SAMSON AGRI MAX
358 pages
Print Icon
To Next Page IconTo Next Page
To Next Page IconTo Next Page
To Previous Page IconTo Previous Page
To Previous Page IconTo Previous Page
Loading...
22 | Wiring diagram Dieci
278 / 358 DOCMA0000006‐UK ﴾ENG﴿ ‐ Samson FPT 3A
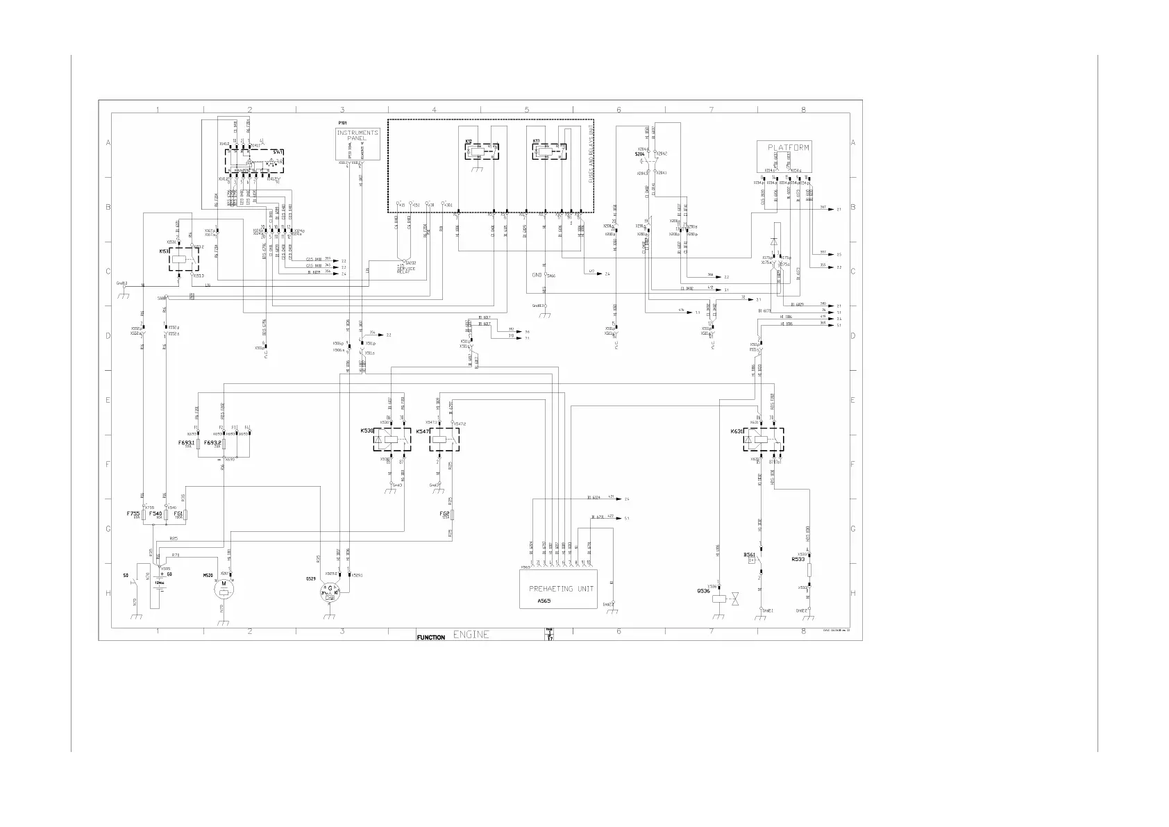
22.2 Wiring diagram sheets
Illustration8: WiringdiagramSamsonFTP3A20160411_Page_01

Table of Contents