EasyManua.ls Logo

Dieci SAMSON AGRI MAX - Page 280

Dieci SAMSON AGRI MAX
358 pages
Print Icon
To Next Page IconTo Next Page
To Next Page IconTo Next Page
To Previous Page IconTo Previous Page
To Previous Page IconTo Previous Page
Loading...
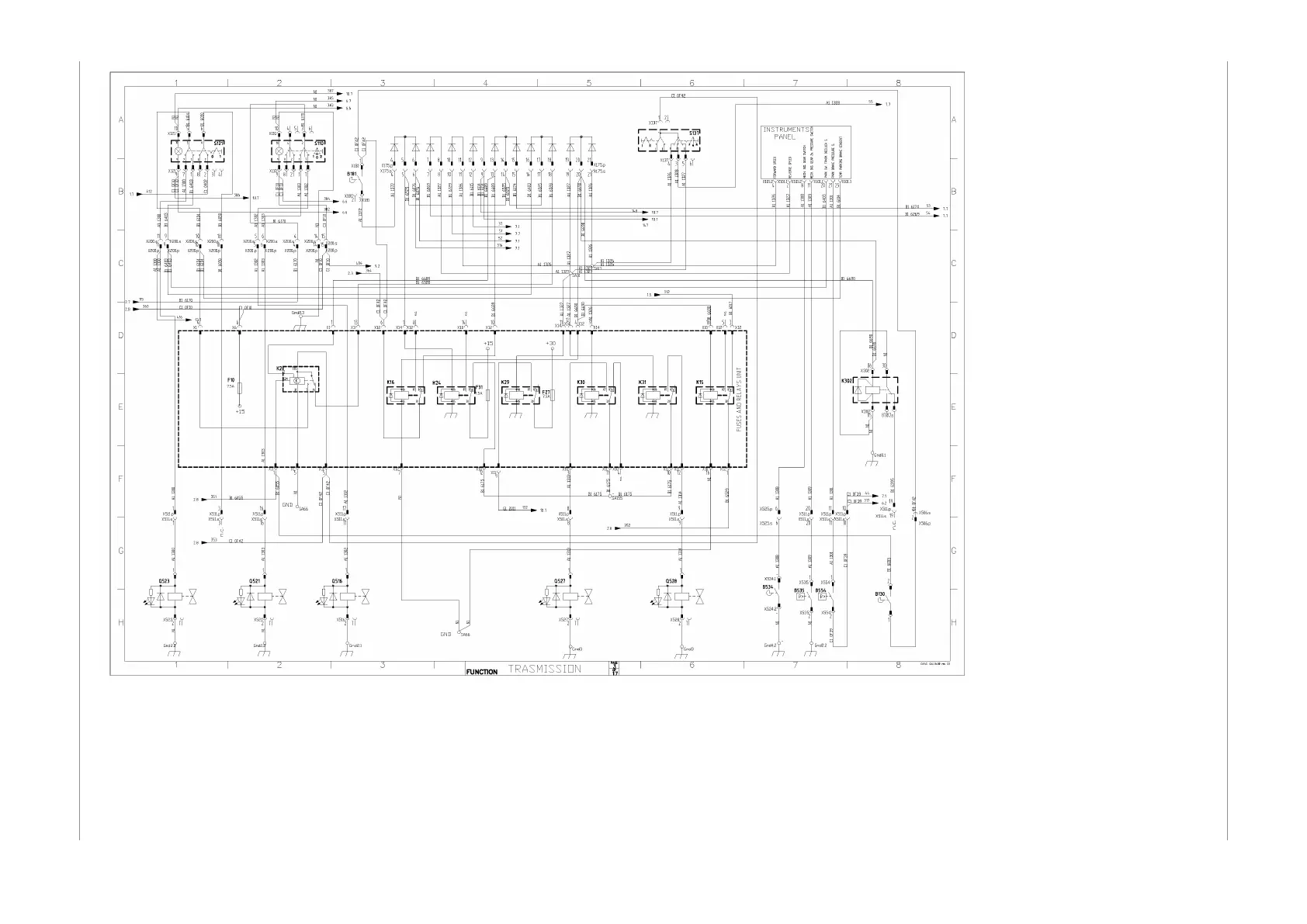
22 | Wiring diagram Dieci
280 / 358 DOCMA0000006‐UK ﴾ENG﴿ ‐ Samson FPT 3A
Illustration10: WiringdiagramSamsonFTP3A20160411_Page_03

Table of Contents