EasyManua.ls Logo

Dieci SAMSON AGRI MAX - Page 287

Dieci SAMSON AGRI MAX
358 pages
Print Icon
To Next Page IconTo Next Page
To Next Page IconTo Next Page
To Previous Page IconTo Previous Page
To Previous Page IconTo Previous Page
Loading...
Dieci Wiring diagram | 22
DOCMA0000006‐UK ﴾ENG﴿ ‐ Samson FPT 3A 287 / 358
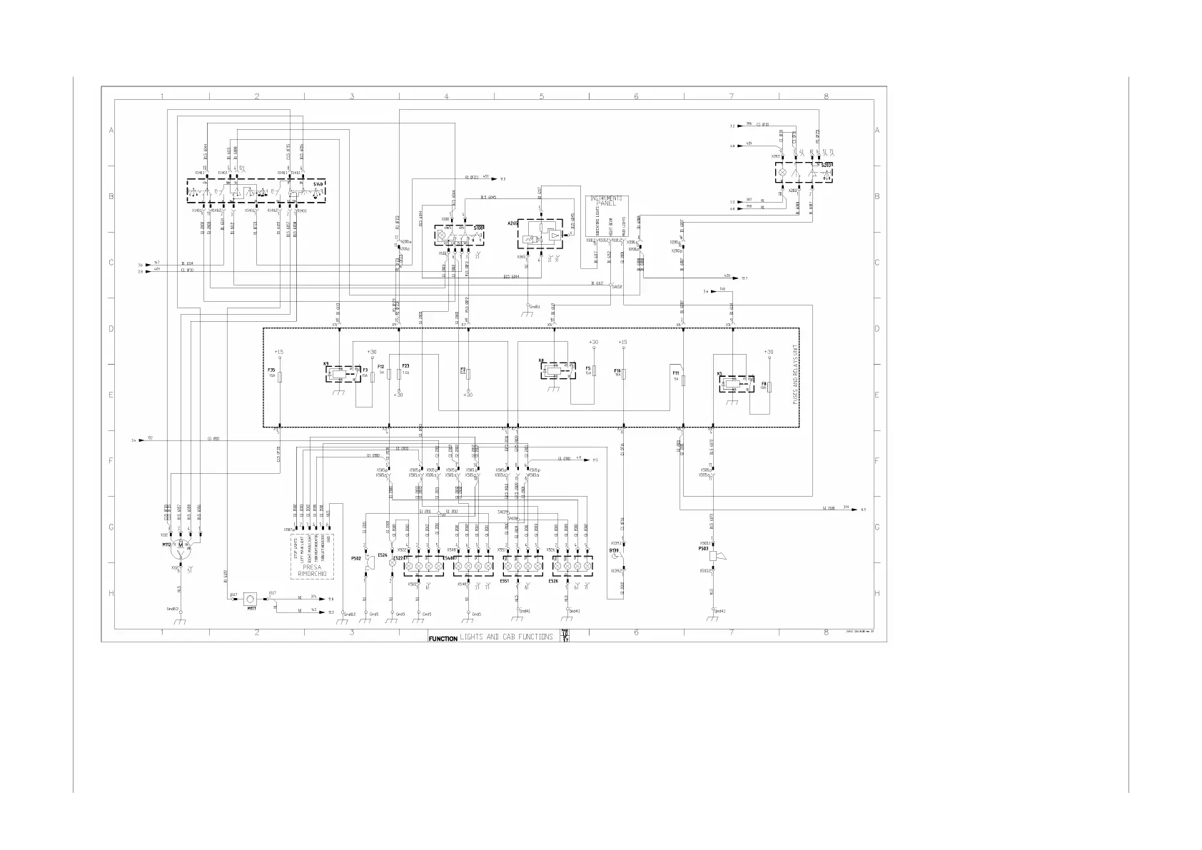
Illustration17: WiringdiagramSamsonFTP3A20160411_Page_10

Table of Contents