EasyManua.ls Logo

GRAPHTEC FC8000-75 - Main Board (I;F)

GRAPHTEC FC8000-75
145 pages
Print Icon
To Next Page IconTo Next Page
To Next Page IconTo Next Page
To Previous Page IconTo Previous Page
To Previous Page IconTo Previous Page
Loading...
FC8000-UM-251-9370 10-6
10. BLOCK DIAGRAMS AND CIRCUIT DIAGRAMS
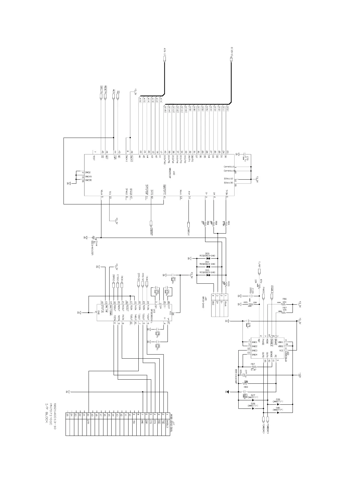
10.2.5 Main Board (I/F)

Table of Contents

Related product manuals