EasyManua.ls Logo

GRAPHTEC FC8000-75 - LAN Board (Option)

GRAPHTEC FC8000-75
145 pages
Print Icon
To Next Page IconTo Next Page
To Next Page IconTo Next Page
To Previous Page IconTo Previous Page
To Previous Page IconTo Previous Page
Loading...
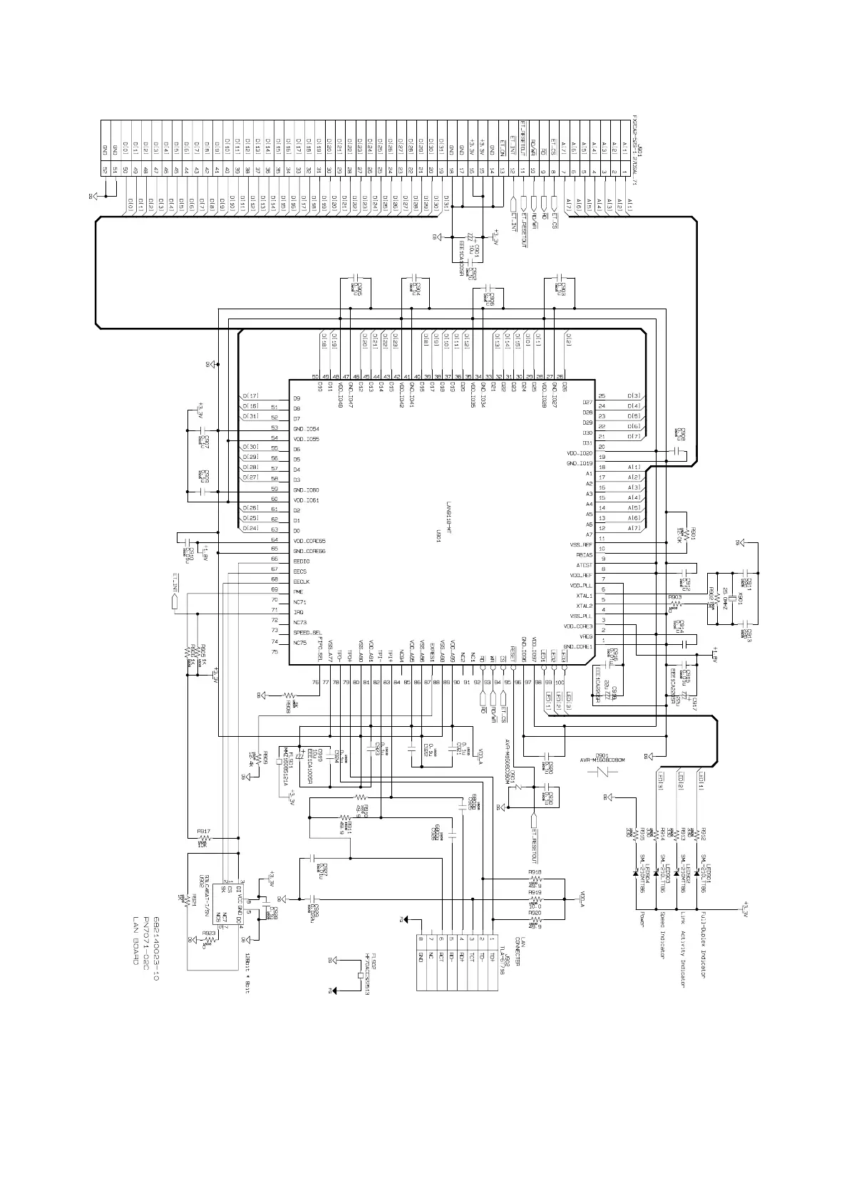
FC8000-UM-251-9370 10-9
10. BLOCK DIAGRAMS AND CIRCUIT DIAGRAMS
10.2.8 LAN Board (Option)

Table of Contents

Related product manuals