EasyManua.ls Logo

Hioki 3390 - Appendix 1 Block Diagram

Hioki 3390
204 pages
Print Icon
To Next Page IconTo Next Page
To Next Page IconTo Next Page
To Previous Page IconTo Previous Page
To Previous Page IconTo Previous Page
Loading...
Appendix1
Block Diagram
A1
Appendix
Appendix
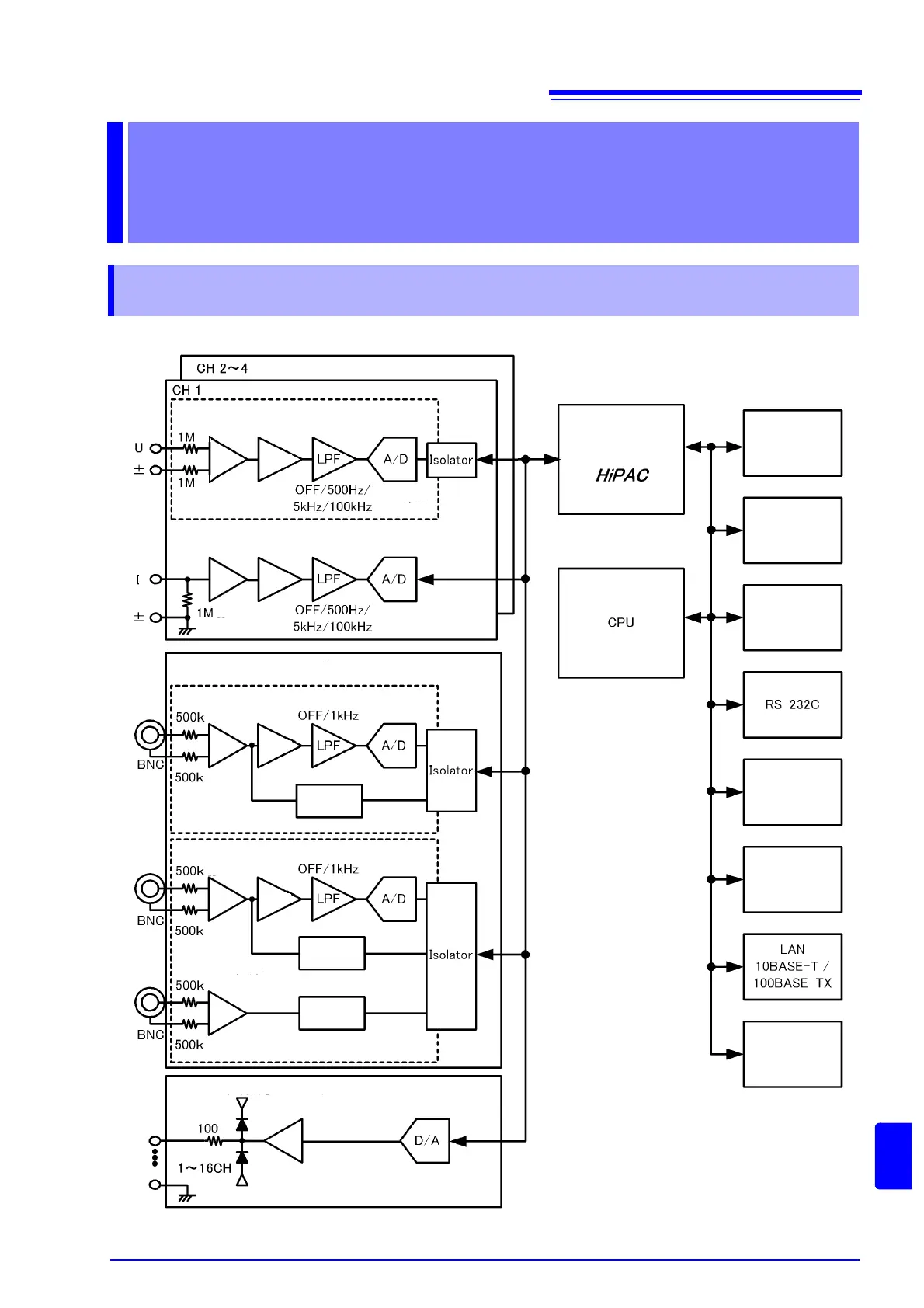
Appendix1 Block Diagram
Voltage Input Circuit
High-Speed
Power Analysis
Engine
USB Port
(Storage)
Current Sensor Input Circuit
9-inch WVGA
LCD
Key
CF Card
Motor Analysis Input Circuit (Option)
Channel A Input Circuit
Channel B Input Circuit
USB Port
(Remote Con-
trol Functions)
Sync
Control
D/A Output Circuit (Option)
Range
Isolation
Range
Isolation
Isolation
Range
Zero-Crossing
Detection
Zero-Crossing
Detection
Range
Zero-Crossing
Detection
CHZ Input circuit
Ω
Ω
Ω
Ω
Ω
Ω
Ω
Ω
Ω
Ω

Table of Contents

Other manuals for Hioki 3390

Related product manuals