EasyManua.ls Logo

LEXIUM MHDA1004 - Analog Input Mode 5 Loop Diagram

Default Icon
204 pages
Print Icon
To Next Page IconTo Next Page
To Next Page IconTo Next Page
To Previous Page IconTo Previous Page
To Previous Page IconTo Previous Page
Loading...
166
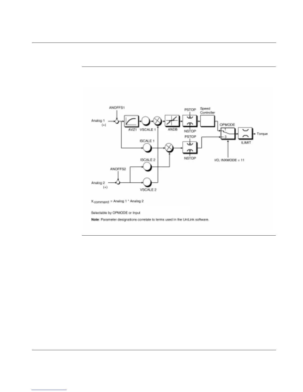
17D Analog Input Loop Diagrams, continued
17D Analog Input
Mode 5 Loop
Diagram
The following diagram shows an analog input Mode 5 servo loop.

Table of Contents

Related product manuals