EasyManua.ls Logo

LEXIUM MHDA1004 - External Incremental Encoder Connection

Default Icon
204 pages
Print Icon
To Next Page IconTo Next Page
To Next Page IconTo Next Page
To Previous Page IconTo Previous Page
To Previous Page IconTo Previous Page
Loading...
68
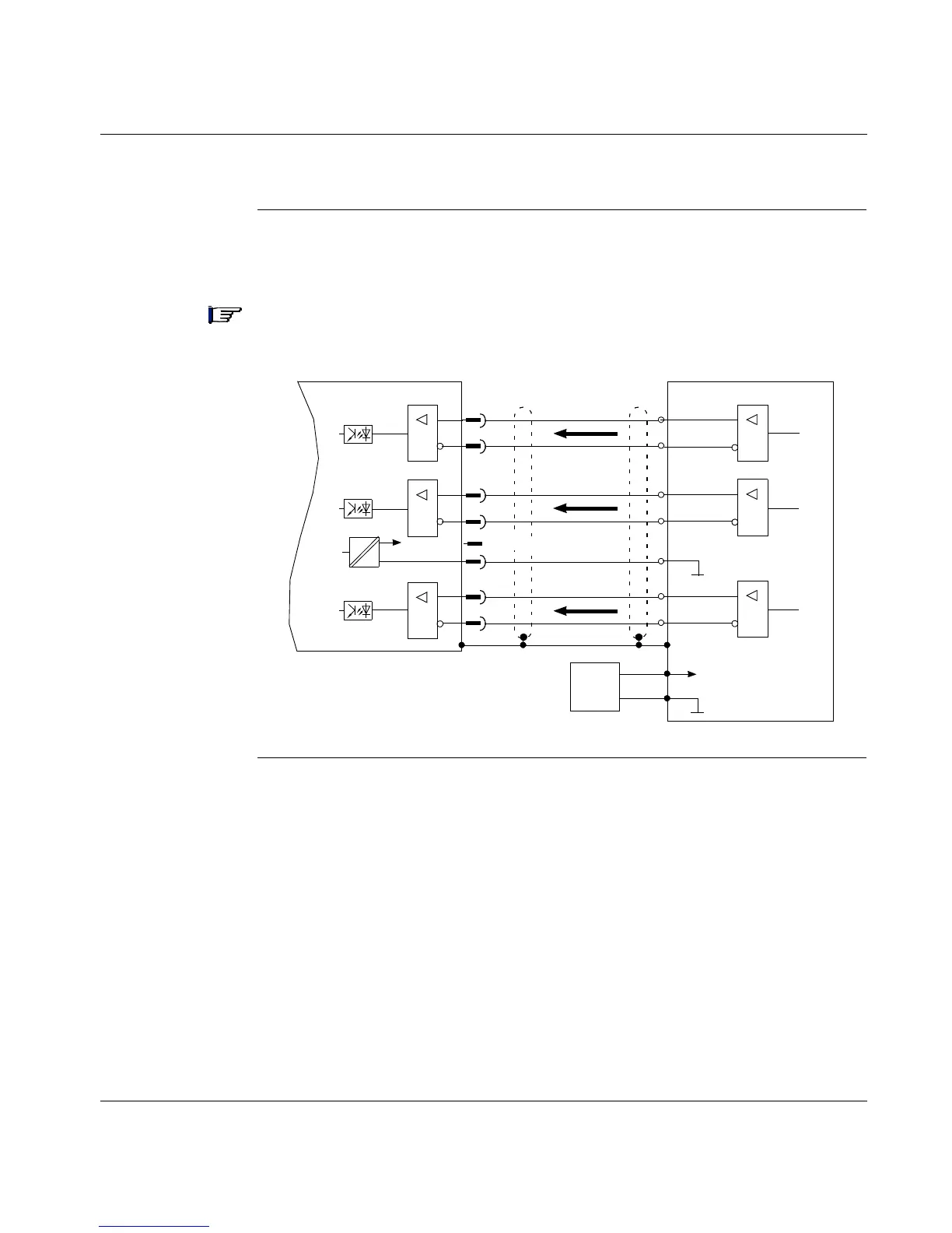
Signal Wiring, continued
External
Incremental
encoder
connection
The following diagram shows the incremental encoder input connections between
the 17D drive and an external incremental encoder.
Note: The receivers are supplied from an internal supply voltage.
P
Com
must always be connected to the encoder ground.
Incremental encoder is powered by an external Power Supply.
=
=
Lexium 17D
RS-485
RS-485
RS-485
5Vdc
Reserved
X5
5
4
2
3
6
8
1
7
A+
A-
M-
M+
B+
B-
P
Com
Incremental encoder
Power
Supply
Vdc
Gnd
+ Vdc
RS-485
RS-485
RS-485
Gnd
Chan A
Marker
Chan B
Gnd

Table of Contents

Related product manuals