EasyManua.ls Logo

LEXIUM MHDA1004 - Lexium SER Resolver Connection

Default Icon
204 pages
Print Icon
To Next Page IconTo Next Page
To Next Page IconTo Next Page
To Previous Page IconTo Previous Page
To Previous Page IconTo Previous Page
Loading...
62
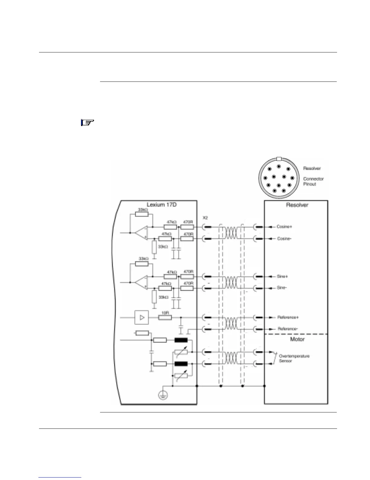
Signal Wiring, continued
Lexium SER
Resolver
Connection
The following diagram shows the connections between the resolver and the 17D
drive.
Note: The standard Lexium SER series servo motors are equipped with two-pole,
integral resolvers. The thermistor contact in the servo motor is connected via the
resolver cable to the 17D drive.
Continued on next page
1210
11
1
9
8
7
6
5
4
3
2
P
Green
Yellow
White
Brown
Grey
Pink
Black
Grey/Pink
9
5
7
3
8
4
4
8
6
7
5
9
1
2
2
6

Table of Contents

Related product manuals