EasyManua.ls Logo

LEXIUM MHDA1004 - Lexium SER Servo Motor Connection; Servo Motor (with Optional Dynamic Brake Resistors and Contactor)

Default Icon
204 pages
Print Icon
To Next Page IconTo Next Page
To Next Page IconTo Next Page
To Previous Page IconTo Previous Page
To Previous Page IconTo Previous Page
Loading...
56
Power Wiring, continued
Lexium SER
Servo Motor
Connection
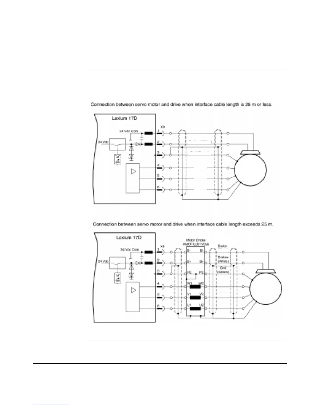
The following diagrams show the connections between a SER servo motor and the
17D drive. When the interface cable length exceeds 25 m, a motor choke must be
installed as shown and at a distance of one meter or less from the drive.
Continued on next page
Note: The choke must be installed at a distance of one meter or less from the drive.
L1
L2
L3
SER
Servo
Motor
L1
L2
L3
SER
Servo
Motor
Brake - (Grey)
Brake + (White)
Gnd (Green)
(Grey)

Table of Contents

Related product manuals