EasyManua.ls Logo

LEXIUM MHDA1004 - Connection Diagram

Default Icon
204 pages
Print Icon
To Next Page IconTo Next Page
To Next Page IconTo Next Page
To Previous Page IconTo Previous Page
To Previous Page IconTo Previous Page
Loading...
174
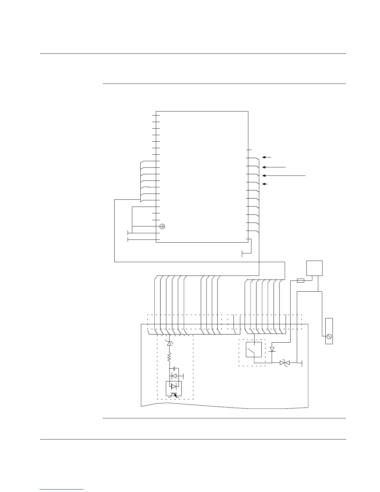
I/O Expansion Card, continued
Connection
Diagram
The I/O expansion card connections are presented in the following diagram.
Lexium 17D
1 of 14 Inputs
I/O GND
10µF
6.8 V
1 of 8
Outputs
I/O GND
Pannel GND
I/O GND
1A AT
24
Vdc
8
9 REF*
CLEAR FAULT
11 START TASK
12 JOG*
X11B
X11A
1
2
3 IN POS
4 NEXT IN POS*
5 FAULT
6 POS REG 1*
7 POS REG 2*
8 POS REG 3*
9 POS REG 4*
10
11 +24 V I/O
12
TSX 07 31 2412
REF*
START
TASK
JOG*
CLEAR
FAULT
+24V
I/O
C 0 1 2 3 4 5 6 7 8 9 -V
C 0 1 2 3 4 5 6 7 8 9 10 11 12 13
+24V
I/O
I/O
GND
POSREG4*
POSREG3*
POSREG2*
POSREG1*
FAULT
INPOS*
INPOS*
*Optional Connection
A0
A1
A2
A3
A4
A5
1A0
2 A1*
3 A2*
4 A3*
5 A4*
6 A5*
7
3,3 K

Table of Contents