EasyManua.ls Logo

LEXIUM MHDA1004 - Fault Relay and Digital I;O Connections

Default Icon
204 pages
Print Icon
To Next Page IconTo Next Page
To Next Page IconTo Next Page
To Previous Page IconTo Previous Page
To Previous Page IconTo Previous Page
Loading...
72
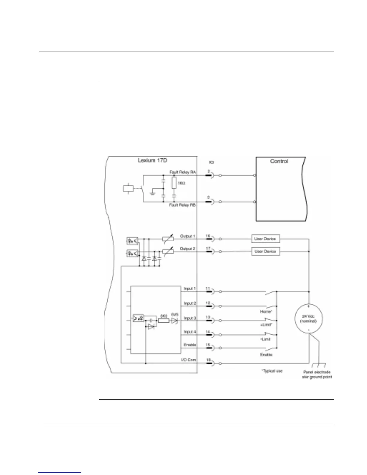
Fault Relay and Digital I/O Connection
Digital Inputs
and Outputs
The following diagram shows the connections between the fault relay, the four fully-
programmable, digital inputs, dedicated enable input and two digital outputs on the
17D drive and typical user devices. (A list of pre-programmed functions is
contained in the UniLink online help.)
Continued on next page
100nF
25
25

Table of Contents

Related product manuals