EasyManua.ls Logo

LEXIUM MHDA1004 - Connection

Default Icon
204 pages
Print Icon
To Next Page IconTo Next Page
To Next Page IconTo Next Page
To Previous Page IconTo Previous Page
To Previous Page IconTo Previous Page
Loading...
57
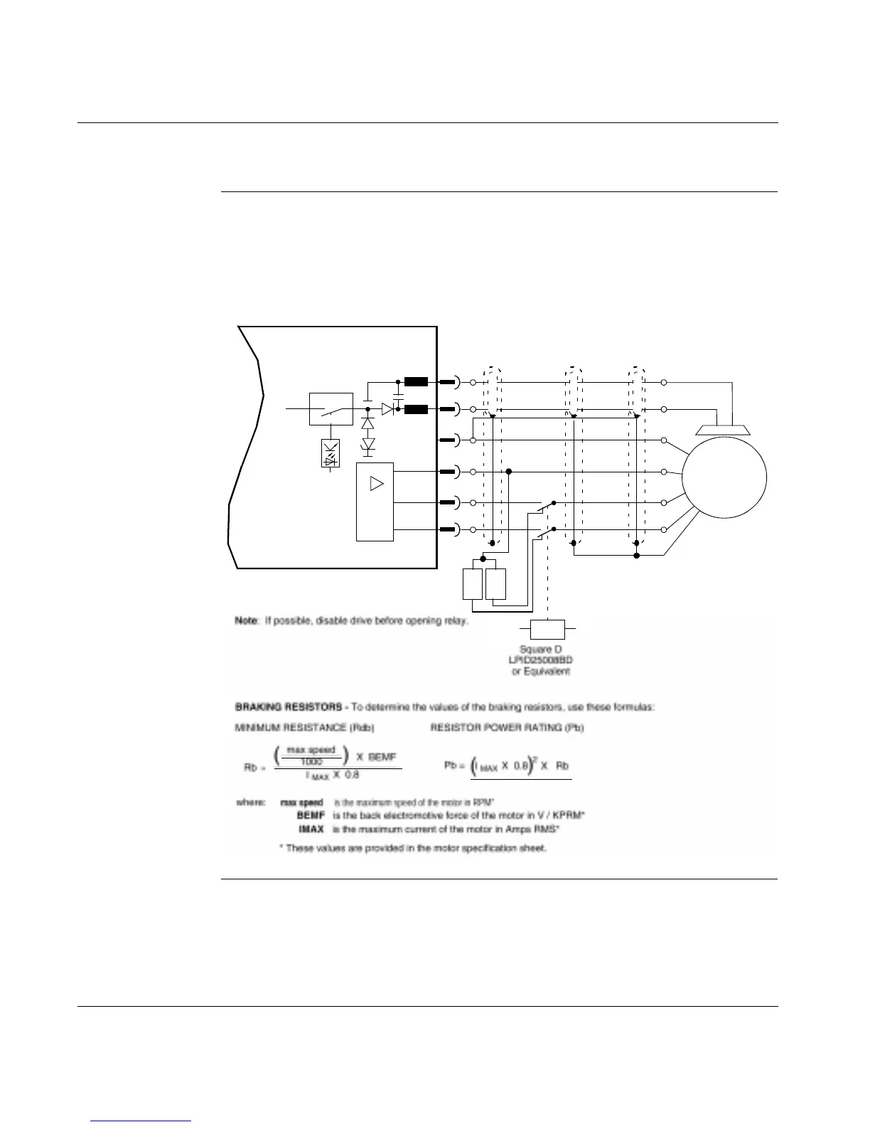
Power Wiring, continued
Servo Motor
(with Optional
Dynamic Brake
Resistors and
Contactor)
Connection
The following diagram shows the connections between a servo motor and the 17D
drive when the optional dynamic brake rersistors and associated contactor are
incorporated.
Continued on next page
10
RB RB
Servo
Motor
24 Vdc
Com 24 Vdc
LEXIUM 17D
X9
1
2
3
4
5
6
Brake -
Brake+
Gnd
(Green)
W2
V2
U2

Table of Contents

Related product manuals