EasyManua.ls Logo

LEXIUM MHDA1004 - Lexium SER Encoder Connection

Default Icon
204 pages
Print Icon
To Next Page IconTo Next Page
To Next Page IconTo Next Page
To Previous Page IconTo Previous Page
To Previous Page IconTo Previous Page
Loading...
64
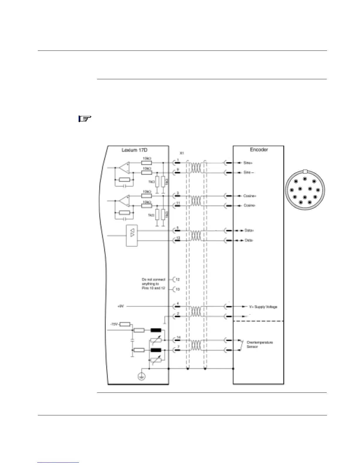
Signal Wiring, continued
Lexium SER
Encoder
Connection
The following diagram shows the encoder input connections between the encoder
and the 17D drive.
Note: The SER series servo motors can be optionally fitted with a single-turn or
multi-turn sine-cosine encoder, which is used by the 17D positioning or extremely
smooth running. In addition, the thermistor contact in the servo motor is connected
via the encoder cable to the 17D drive.
Continued on next page
HIPERFACE
Encoder
Connector
Pinout
Green
Yellow
Brown
White
Grey
Pink
Red/Blue
Blue
Black
Grey/Pink
8
4
9
5
6
7
10
11
1
2
Gnd
1210
11
1
9
8
7
6
5
4
3
2
P

Table of Contents

Related product manuals