EasyManua.ls Logo

LEXIUM MHDA1004 - Overview of 17 D Internal Electronics

Default Icon
204 pages
Print Icon
To Next Page IconTo Next Page
To Next Page IconTo Next Page
To Previous Page IconTo Previous Page
To Previous Page IconTo Previous Page
Loading...
26
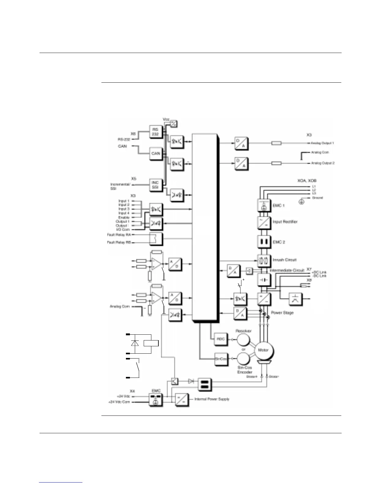
Overview of 17D Internal Electronics
17D Internal
Electronics
Block Diagram
The following block diagram illustrates the 17D internal electronics and depicts
internal interfaces for power, signal I/O, and communication.
Continued on next page
+Rb ext
+Rb int
Analog1 in +
X9
X9
X2
X1
Analog1 in -
Analog2 in +
Analog2 in -
2
- Rb
-AS-
LEXIUM
17D
-AS-
-AS-
KSI+
KSI-
KS01
KS02
X10
-AS-
-AS-

Table of Contents

Related product manuals