EasyManua.ls Logo

LSIS XEC-DP64H - Page 302

LSIS XEC-DP64H
315 pages
Print Icon
To Next Page IconTo Next Page
To Next Page IconTo Next Page
To Previous Page IconTo Previous Page
To Previous Page IconTo Previous Page
Loading...
Appendix 3 Motor Wiring Example
App.3 - 4
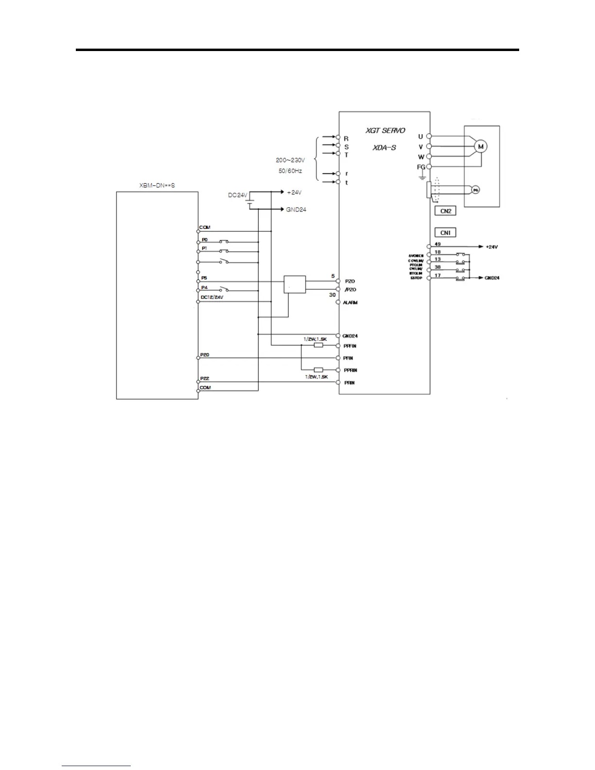
(3) Connection to a servo motor driver (XGT Servo XDA-S)
(a) In case of XBM-DN**S
(Note1) The rating of Origin input for XGB stand type is 24VDC. If it is line driver output, contact cant be connected. In the
case, use a convert from line driver output to open collector output or use home return only by DOG signal/origin
sensor of origin signal.
(Note2) Although origin, DOC, upper/lower limit signals are with fixed contact, it may be used for general input if they are
not used. Emergency stop is available by the command (EMG).
(Note3) The above wiring is applied when P07-01=27(positioning mode)
(Note4) Since only pulse + direction mode is available for XGB standard type, make sure to change the input mode of a
servo motor driver into pulse + direction mode prior to use
(Note5) In the above wiring, Axis X of XGB standard built-in positioning is used.
Note2
Input Common
Lower limit
Upper limit
Emergency stop
Origin
DOG
External power
input terminal
Pulse
Direction
Output Common
Input contact
Power AC
Servo motor
Note1

Table of Contents

Related product manuals