EasyManua.ls Logo

Philips LPC2101 - Page 124

Philips LPC2101
279 pages
Print Icon
To Next Page IconTo Next Page
To Next Page IconTo Next Page
To Previous Page IconTo Previous Page
To Previous Page IconTo Previous Page
Loading...
© Koninklijke Philips Electronics N.V. 2006. All rights reserved.
User manual Rev. 01 — 12 January 2006 124
Philips Semiconductors
UM10161
Volume 1
Chapter 11: I
2
C interfaces
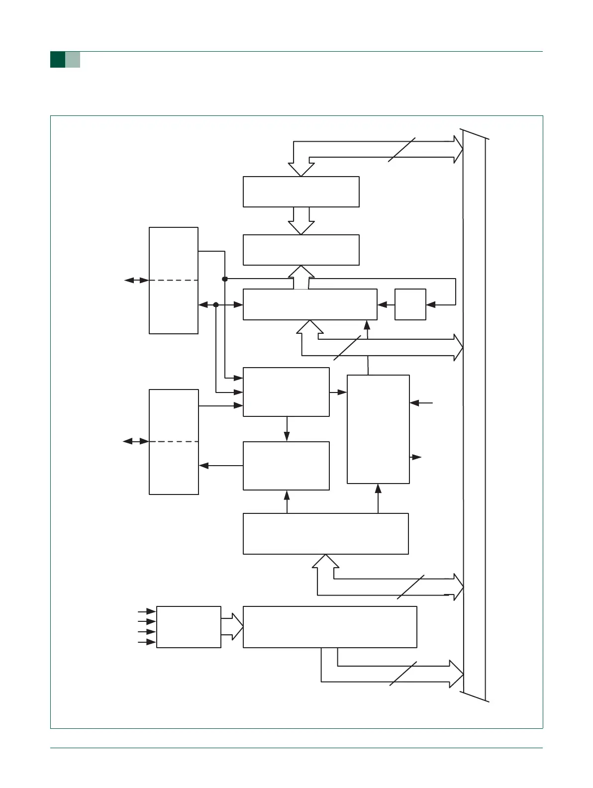
The output for I
2
C is a special pad designed to conform to the I
2
C specification.
Fig 29. I
2
C serial interface block diagram
APB BUS
STATUS REGISTER
CONTROL REGISTER & SCL DUTY
CYCLE REGISTERS
ADDRESS REGISTER
COMPARATOR
SHIFT REGISTER
8
8
ACK
I2ADR
I2DAT
8
16
BIT COUNTER/
ARBITRATION &
SYNC LOGIC
SERIAL CLOCK
GENERATOR
TIMING &
CONTROL
LOGIC
STATUS
DECODER
status
bus
I2CONSET
I2SCLL
I2SCLH
I2CONCLR
interrupt
PCLK
INPUT
FILTER
OUTPUT
STAGE
SCL
INPUT
FILTER
OUTPUT
STAGE
SDA
I2STAT

Table of Contents

Related product manuals