EasyManua.ls Logo

Philips LPC2101 - Page 165

Philips LPC2101
279 pages
Print Icon
To Next Page IconTo Next Page
To Next Page IconTo Next Page
To Previous Page IconTo Previous Page
To Previous Page IconTo Previous Page
Loading...
© Koninklijke Philips Electronics N.V. 2006. All rights reserved.
User manual Rev. 01 — 12 January 2006 165
Philips Semiconductors
UM10161
Volume 1 Chapter 12: SPI
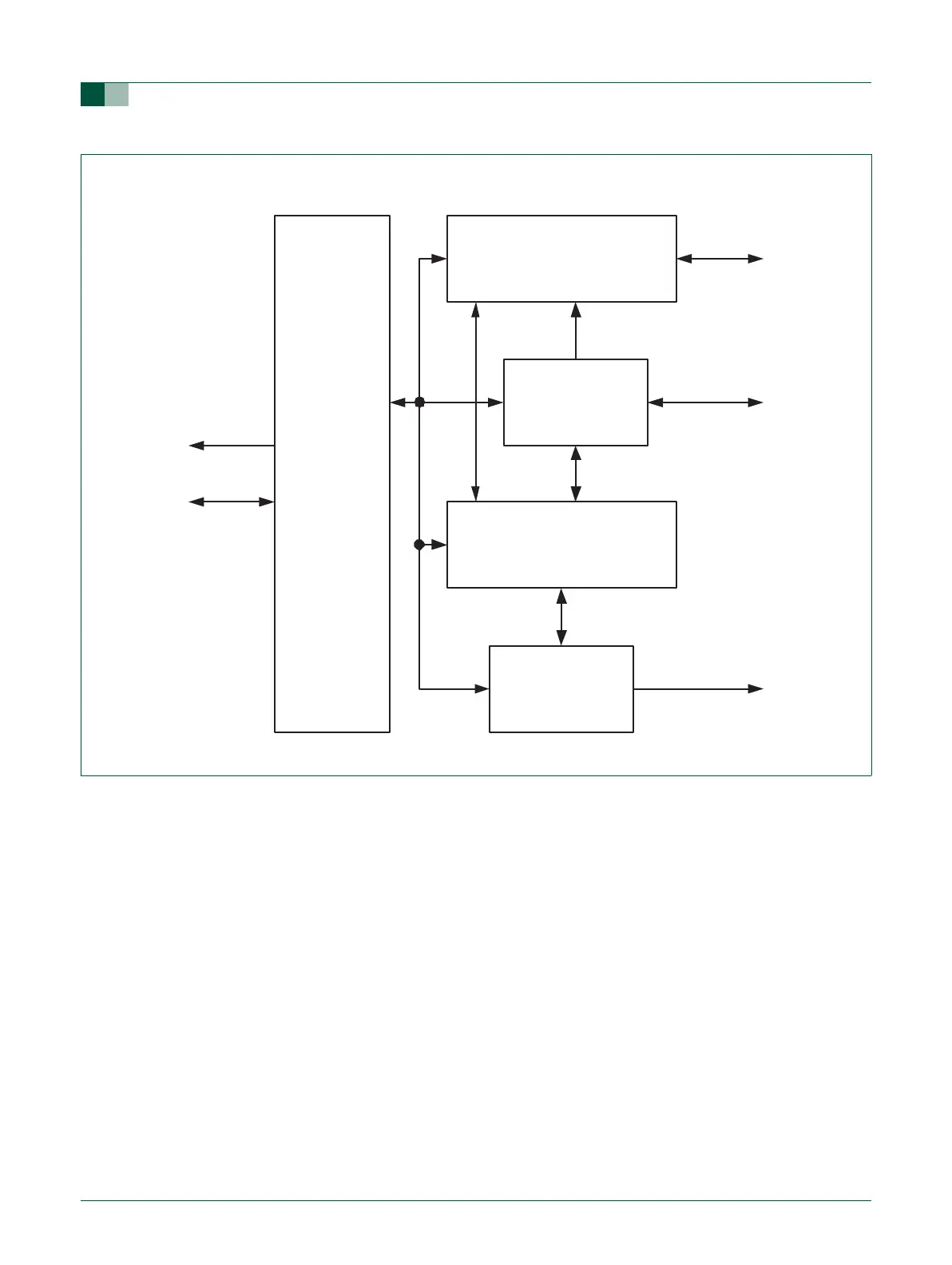
Fig 40. SPI block diagram
MOSI_IN
MOSI_OUT
MISO_IN
MISO_OUT
OUTPUT
ENABLE
LOGIC
SPI REGISTER
INTERFACE
SPI Interrupt
APB Bus
SPI SHIFT REGISTER
SCK_OUT_EN
MOSI_OUT_EN
MISO_OUT_EN
SCK_IN
SCK_OUT
SS_IN
SPI STATE CONTROL
SPI CLOCK
GENERATOR &
DETECTOR

Table of Contents

Related product manuals