EasyManua.ls Logo

Philips LPC2101 - Page 212

Philips LPC2101
279 pages
Print Icon
To Next Page IconTo Next Page
To Next Page IconTo Next Page
To Previous Page IconTo Previous Page
To Previous Page IconTo Previous Page
Loading...
© Koninklijke Philips Electronics N.V. 2006. All rights reserved.
User manual Rev. 01 — 12 January 2006 212
Philips Semiconductors
UM10161
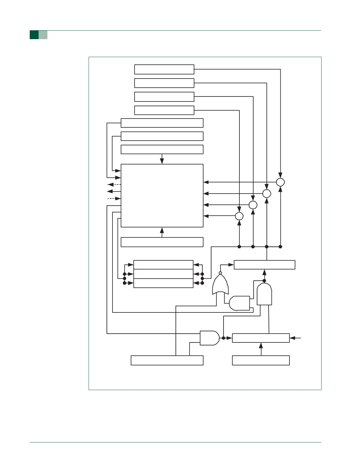
Volume 1 Chapter 16: Timer2 and Timer3
(1) The capture registers are not available on TIMER3.
Fig 56. Timer2/3 block diagram
reset
MAXVAL
TIMER CONTROL REGISTER PRESCALE REGISTER
PRESCALE COUNTER
PCLK
enable
CAPTURE REGISTER 2
(1)
CAPTURE REGISTER 1
(1)
CAPTURE REGISTER 0
(1)
MATCH REGISTER 3
MATCH REGISTER 2
MATCH REGISTER 1
MATCH REGISTER 0
CAPTURE CONTROL REGISTER
CONTROL
TIMER COUNTER
CSN
TCI
CE
=
=
=
=
INTERRUPT REGISTER
EXTERNAL MATCH REGISTER
MATCH CONTROL REGISTER
MATn[3:0]
INTERRUPT
CAP2[2:0]
STOP ON MATCH
RESET ON MATCH
LOAD[3:0]

Table of Contents

Related product manuals