EasyManua.ls Logo

Philips LPC2101 - Page 228

Philips LPC2101
279 pages
Print Icon
To Next Page IconTo Next Page
To Next Page IconTo Next Page
To Previous Page IconTo Previous Page
To Previous Page IconTo Previous Page
Loading...
© Koninklijke Philips Electronics N.V. 2006. All rights reserved.
User manual Rev. 01 — 12 January 2006 228
Philips Semiconductors
UM10161
Volume 1 Chapter 18: WDT
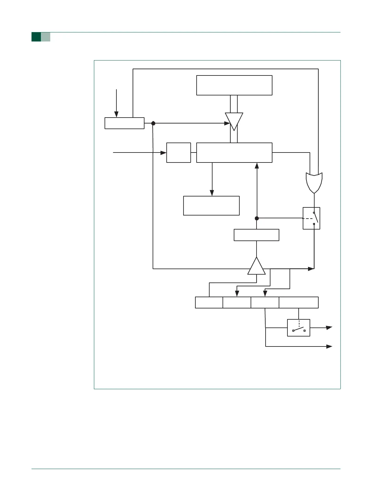
(1) Counter is enabled only when the WDEN bit is set and a valid feed sequence is done.
(2) WDEN and WDRESET are sticky bits. Once set they can’t be cleared until the watchdog
underflows or an external reset occurs.
Fig 60. Watchdog block diagram
PLCK
WDTV
register
underflow
WDRESET
2
WDINTWDTOFWDEN
2
WDMOD
register
reset
interrupt
SHADOW BIT
enable
count
1
32 BIT DOWN
COUNTER
CURRENT WD
TIMER COUNT
/ 4
WDFEED
WDTC
feed ok
feed error
feed sequence

Table of Contents

Related product manuals