EasyManua.ls Logo

Ricoh TH-C1b - Key Counter Installation

Ricoh TH-C1b
433 pages
Print Icon
To Next Page IconTo Next Page
To Next Page IconTo Next Page
To Previous Page IconTo Previous Page
To Previous Page IconTo Previous Page
Loading...
KEY COUNTER INSTALLATION 10 February 2005
1-64
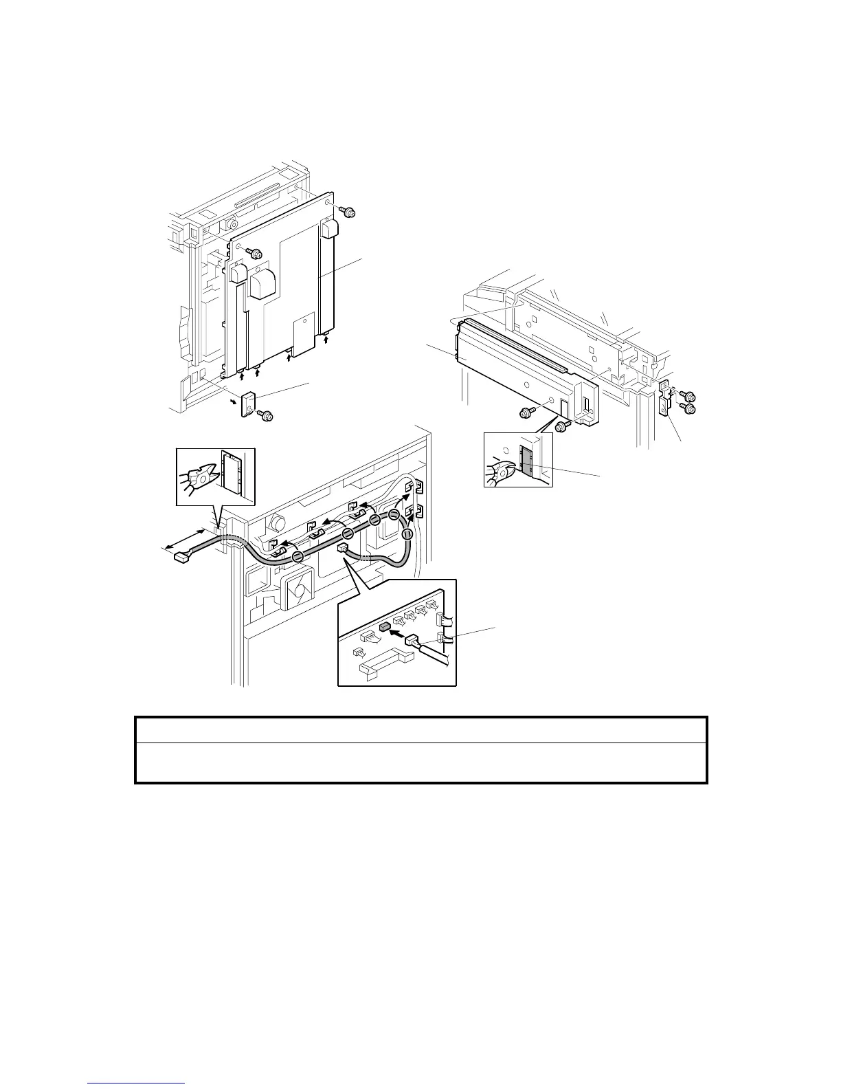
1.17 KEY COUNTER INSTALLATION
!CAUTION
Unplug the main machine power cord before starting the following
procedure.
1. Remove the connector cover [A] (! x 1).
2. Remove the rear cover [B] (! x 2).
3. Remove the upper right cover [C] (! x 2).
4. Remove the cap [D].
5. Install the bracket [E] (! x 2).
6. Connect the cable [F] to the I/O board and route it as shown.
NOTE: If the cable is installed correctly, the length [G] is about 140 mm.
B156I520.WMF
B156I524.WMF
B156I552.WMF
[B]
[C]
[D]
[E]
[F]
[A]
[G]

Table of Contents

Related product manuals