EasyManua.ls Logo

Servotronix CDHD Series - Page 188

Servotronix CDHD Series
292 pages
Print Icon
To Next Page IconTo Next Page
To Next Page IconTo Next Page
To Previous Page IconTo Previous Page
To Previous Page IconTo Previous Page
Loading...
Operat ion CDHD
188 User Manual
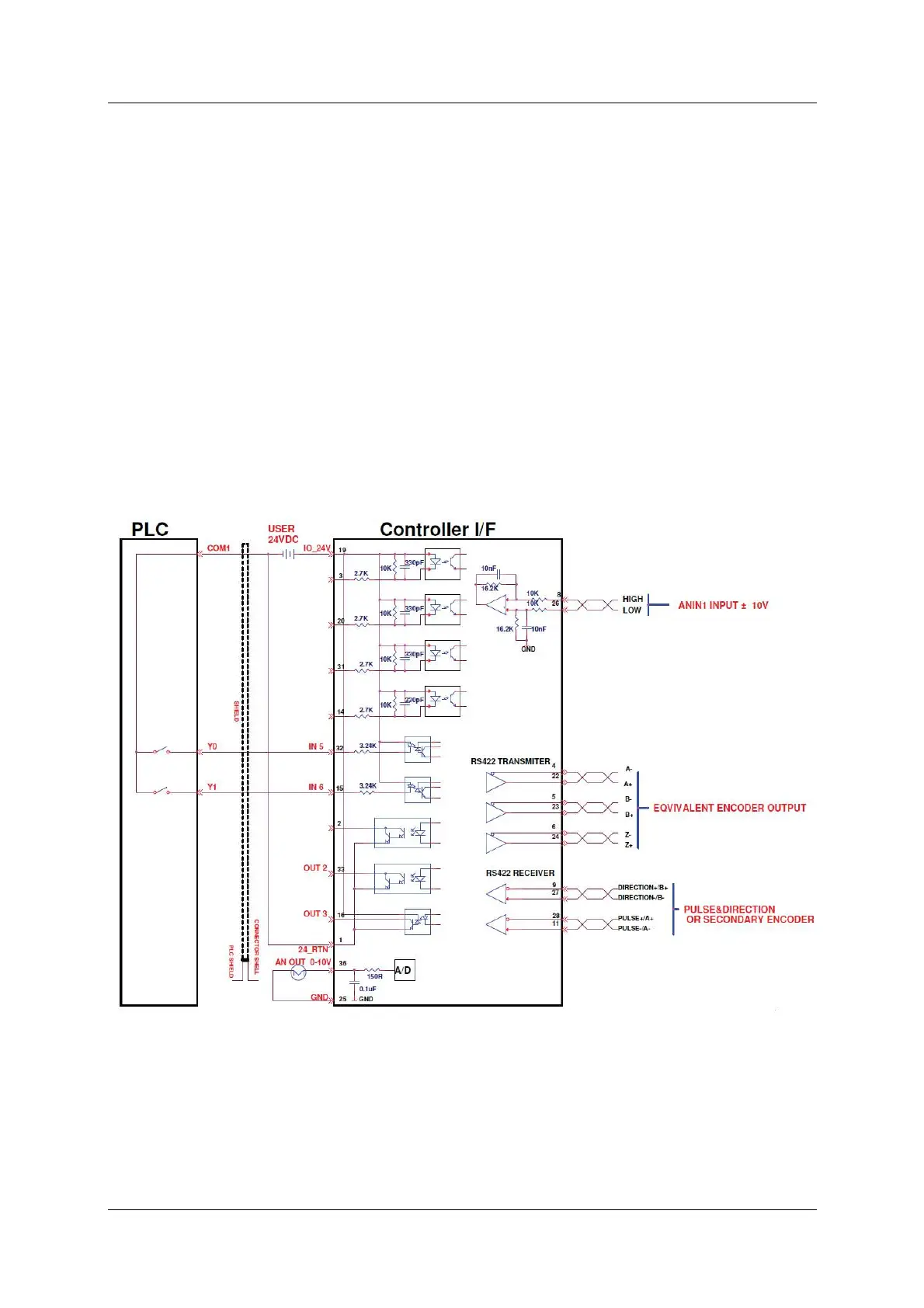
GEARMODE 1 if connected through the Controller I / F connect or (C2)
GEARMODE 4 if connected through the Machine I/ F connector (C3).
Pulse and Direct ion Com m ands Using a Single - Ended Sign al
The CDHD enables the connection of PLCs with a 24 VDC single-end signal to the
drive. This type of signaling requires the use of the fast digital inputs on the
CDHD Controller I/ F connector (C2) .
The Pulse signal is connected to fast digital input 5 on pin 32.
The Direction signal is connected to fast digital input 6 on pin 15.
Refer to Figure 8-6 below. The diagram shows how t o connect the PLC t o the
CDHD Controller I/ F (C2) connect or.
Connect the cable shield on the PLC side to any available shield connector.
Connect the cable shield on the CDHD side to the shell of the 36-pin
connect or.
N ot es: The 24 VDC power supply must be provided by the user.
Refer also to Table 3-10. I / O Specifications.
Figur e 8 - 6 . W iring for Pulse and Direct ion Using Single- Ende d Signal
Pulse and Direct ion Opera tion
For Pulse and Direction operation, the sett ings in the ServoStudio M o t ion screen
are similar to those shown in the following figure. Actual values may differ. Refer
to this figure when perform ing t he following st eps.

Table of Contents

Other manuals for Servotronix CDHD Series

Related product manuals