EasyManua.ls Logo

Siemens simovert masterdrives - Page 1003

Siemens simovert masterdrives
1547 pages
Print Icon
To Next Page IconTo Next Page
To Next Page IconTo Next Page
To Previous Page IconTo Previous Page
To Previous Page IconTo Previous Page
Loading...
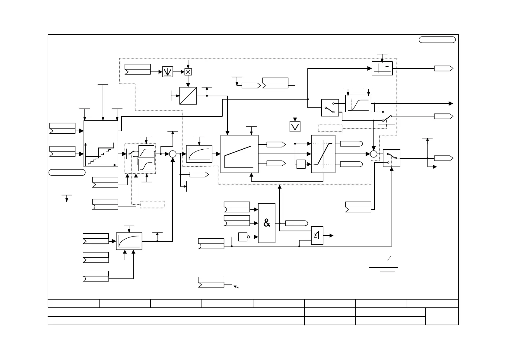
Function diagram
87654321
fp_mc_340_e.vsd
Position control
MASTERDRIVES MC
13.02.07
-340 -
V2.5
Position setpoint
interpolator
t
L ref.
Ü=2
P770
P
[LU]
+
T1
Kp Tn
x
y
-1
0
1
KV
Kp
Limitation of I-component
[LU]
[LU]
1
Release This block is only calculated
if release has been effected.
[LU]
LU means that a position value in length units [LU] is
expected at this parameter.
<1>
<1>
Vrated = Rated speed
[817.6]
[817.6]
[817.6]
[LU]
[LU]
KK0120 = Pos ActV from
motor encoder [330.6]
[817.6]
[LU]
+
+
Release of ramp gen. bypass
by position control [320.6]
d
dt
[320.8]
<2>
Is the transmission ratio
>0 : results in an extrapolation (advance calculation)
<0 : results in an interpolation
of the position setpoint (if P774 = 0)
<2>
<3>
In the case of parameter value
P771 = 0 the maximum jump is
calculated automatically.
<3>
0
1
n-PRE with Pos n-Reg
with TorqPRE [360a.1]
P238 Bit1
P238 Bit1
1
0
1
0
[]
(100%)0000 4000
V
Kv
Kp
hex
min
LU 1000
rat
LU
min
LU 1000
=
KK
P190.B (310)
Src Pos Setp
Transmission ratio.
sampling time
-8 ... 8
P770 (3)
Max. jump
for interpolation
0 ... (2
31
-1)
P771 (0)
Smooth Pos Set
0.0 ... 1000.0 ms
P191.F (0.0)
KK
P192.B (0)
Src SetV PosSet
B
P193.B (0)
Src Set PosSet
Pos Setp
PosReg
r200
Smooth Pos Diff
0.0 ... 1000.0 ms
P199.F (0.0)
Pos Reg Time
0 ms = P-Regler
>0 ms = PI-Regler
0 ... 10000 ms
P206.F (0)
KK0132
PosReg (P-port)
KK0133
PosReg (I-port)
B0221
PosRegFWDLimitr
B0222
PosRegREVLimitr
KK0131
PosReg (Outp)
Pos Reg Output
r214
KK
P212.B (311)
Src Ctrl Setp
KK
P209.B (312)
Src PRE PosReg
K
P203.B (1)
Src PosRegAdapt
Pos Reg Kv
0.000 ... 20.000
P204.F (0.100)
V rat
[1000 LU/min]
0 ... 20000000
P205 (12288)
PosReg
Gain(act)
r208
PosRegLimitFix
0.0 ... 199.9 %
P207.F (100.0)
KK0134 KK
P202.B (134)
SrcPosRegLim
Smooth Pos Act
0.0 ... 1000.0 ms
P195.F (0.0)
KK
P196.B (0)
Src SetV PosAct
B
P197.B (0)
Src Set PosAct
KK
P194.B (120)
Src Pos ActV
PosAct PosReg
r201
B
P213.B (305)
Src Release Ctrl
B
P211.B (104)
Src2 Rel PosReg
B
P210.B (0)
Src1 Rel PosReg
B0220
PosReg Rel
KK
Pxxx.B (0)
n959.51 = 1
KK0130
Pos (Deviation)
PosActSetp Diff
r198
Diff. time position control
torque precontrol
0.000 ... 100.000 s
P773 (0.000)
KK0135
U953.40 = __ (3)
TimeSlot PosSetp
2 ... 10
P187 (2)
KK0136
PosReg n-PRE
Tdead n-PRE
0.0 ... 4.9 SamplT
P164.F (2.0)
Smooth n-PRE
0.0 ... 1000.0 ms
P165.F (0.0)
Mode
P774 (0)
SamplingT
Tdead PosSetp
0.0 ... 4.9
P161.F (2.0)

Table of Contents

Other manuals for Siemens simovert masterdrives

Related product manuals