EasyManua.ls Logo

Siemens simovert masterdrives - Page 1004

Siemens simovert masterdrives
1547 pages
Print Icon
To Next Page IconTo Next Page
To Next Page IconTo Next Page
To Previous Page IconTo Previous Page
To Previous Page IconTo Previous Page
Loading...
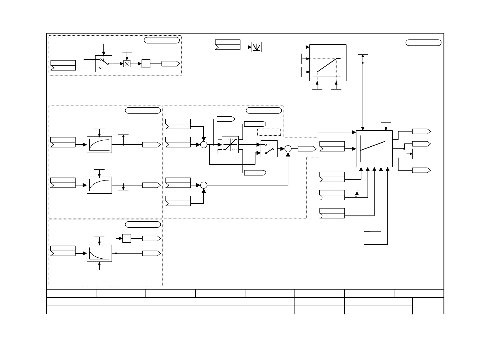
Master/slave drive of control word 2 [190.5]
Track I-component on slave drive so that
Torq(set,n-Reg.) = Torq(set,lim)
Function diagram
87654321
fp_mc_360_e.vsd
Speed controller
MASTERDRIVES MC
03.03.08
-360 -
V2.5
Kp Tn
Limitation is active from torque limitation.
Limit I-component and total output to current torque limit.
Stop I-component, if total output at limit
[370.8]
[190.5]
n-Reg release from control word 2
+
+
y
x
y
x
0
1
0 %
Release of droop
from control word 2 [190.5]
-1
-1
<1>
The P gain of the speed controller is set at
P235 if gain adaptation is not used.
<1>
Kp Adaptation
<2>
<2>
For normalization of speed, see [20]
[in % of P353]
In U953.41 ... 45 only the values
0 or 20 can be entered.
Note:
If interconnection is effected against the
sequence, there is a dead time of T0 in
the speed control loop
(e. g. KK0152 -> P252, KK1058 -> P228)
<3>
<3>
Reference speed P353 must be chosen so
that the total of setpoints P224 and P225 is
always < 195 %.
P238 Bit 0 = 1 <4>
<4>
<4>
Speed control characteristic:
for P238 Bit 0 = 0 (PI controller FD360);
for P238 Bit 0 = 1 (reference model FD360a)
+
+
+
x
y
n(max,
FWDSpeed)
[320.7]
n(max, REVSpeed)
[320.7]
0
1
[in % of P353]
<2>
P238 Bit3
KK
P228.B (152)
Src n(Deviation)
KK0152
n(Deviation)
KK
P225.B (150)
Src2 n(set/act)
KK0150
n (set,smooth)
Torq(set, n-Reg)
r255
n-Reg. Tn
0 ... 4000 ms
P240.F (50)
K
P241.B (0)
SrcSetV n-Reg.I
B
P242.B (0)
Src set n-Reg.I
B
P243.B (0)
Src n-Reg.I STOP
KK
P226.B (151)
Src3 n(set/act)
KK
P227.B (0)
Src4 n(set/act)
KK
P224.B (0)
Src1 n(set/act)
KK0151
n(act,smooth)
n-Reg Gain1
0.0 ... 1000.0
P235.F (10.0)
n-RegGain2
0.0 ... 1000.0
P236.F (10.0)
n-Reg Adapt1
0.0 ... 200.0 %
P233.F (0.0)
n-Reg Adapt2
0.0 ... 200.0 %
P234.F (100.0)
K
P232.B (0)
Src n-Reg Adapt
K
P245.B (0)
Src Droop
Scale Droop
0.0 ... 100.0 %
P246.F (0.0)
KK0157
n(Droop)
KK
P220.B (75)
Src n(set)
Smooth n(set)
0.0 ... 100.0 ms
P221.F (0.0)
KK
P222 (91)
Src n(act)
Smooth n(act)
0.0 ... 100.0 ms
P223 (0.0)
[min-1]
n (ActV Smooth)
r230
KK
P248.B (0)
Src DT1 Function
DT1 Function T1
0.0 ... 10.0 ms
P249.F (0.0)
DT1 Function Td
0.0 ... 1000.0 ms
P250.F (0.0)
KK0159
n(DT1 Func)
KK0160
n(DT1 Func)inv
n959.52 = ___(0)
[min-1]
n (set,smooth)
r229
U953.41 = ___(0)
U953.43 = ___(0)
U953.44 = ___(0)
U953.45 = ___(0)
n-Reg.Kp(act)
r237
B0204
Limitr REVSpeed
B0203
Limitr FWDSpeed
K0153
Torq(set, n-Reg)
K0154
n-Reg (P-comp)
K0155
n-Reg (I-comp.)
KK0161
n set(total)

Table of Contents

Other manuals for Siemens simovert masterdrives

Related product manuals