EasyManua.ls Logo

Siemens simovert masterdrives - Page 1005

Siemens simovert masterdrives
1547 pages
Print Icon
To Next Page IconTo Next Page
To Next Page IconTo Next Page
To Previous Page IconTo Previous Page
To Previous Page IconTo Previous Page
Loading...
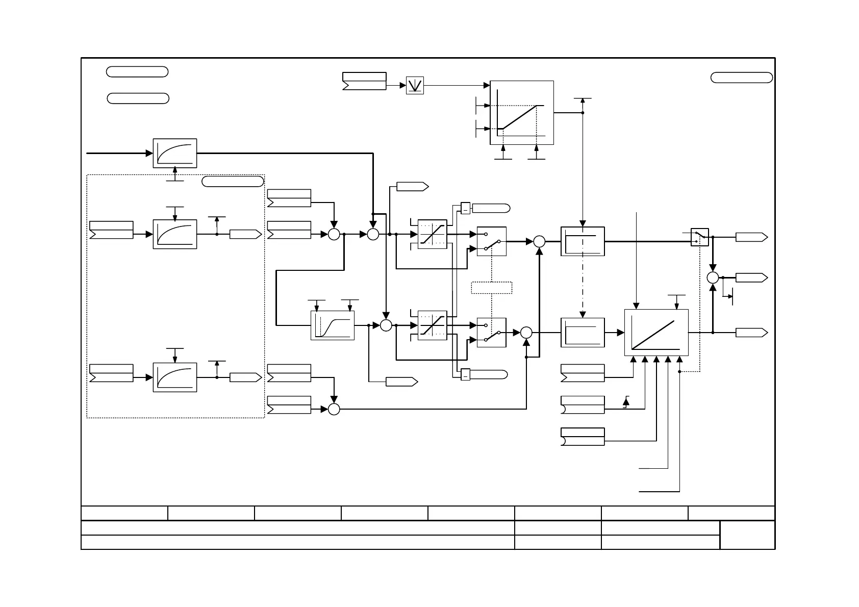
Function diagram
87654321
fp_mc_360a_e.vsd
Speed controller with reference model
MASTERDRIVES MC
03.03.08
- 360a -
V2.5
Master/slave drive of control word 2 [190.5]
Track I-component on slave drive so that
Torq(set,n-Reg.) = Torq(set,lim).
Tn
Limitation is active from torque limitation,
Limit I-component and total output to current
torque limit; Stop I-component,
if total output at limit
[370.8]
[190.5]
n-Reg release from control word 2
+
+
y
x
y
x
<1>
The P gain of the speed controller is set at P235
if gain adaptation is not used.
<1>
Kp Adaptation
<3>
<3>
Reference speed P353 must be chosen so
that the total of setpoints P224 and P225 is
always < 195 %.
<4>
<4>
Speed control characteristic:
for P238 Bit 0 = 0 (PI controller FD360);
for P238 Bit 0 = 1 (Reference model FD360a)
+
+
0
1
P238 Bit3
<2>
<2>
For normalization of speed see [20]
[in % of P353]
[in % of P353]
<2>
0
1
<3>
+
0
1
>
>
+
+
Kp
Kp
n-PRE with Pos n-Reg
with TorqPRE [340.8]
In U953.41 ... 45 only the values
0 or 20 can be entered.
NOTE:
If interconnection is effected against the
sequence, there is a dead time of T0 in
the speed control loop
(e. g. KK0153 -> P252, KK0158 -> P260)
+
+
+
+
+
x
y
n(max, FWDSpeed)
[320.7]
n(max, REVSpeed)
[320.7]
x
y
n(max, FWDSpeed)
[320.7]
n(max, REVSpeed)
[320.7]
Droop block see [360]
DT1 block see [360]
0 %
KK
P225.B (150)
Src2 n(set/act)
K0154
n-Reg (P-comp.)
K0155
n-Reg (I-comp.)
K0153
Torq(set,n-Reg.)
Torq(set,
n-Reg.)
r255
n-Reg. Tn
0 ... 4000 ms
P240.F (50)
K
P241.B (0)
SrcSetV n-Reg.I
B
P242.B (0)
Src.set n-Reg.I
B
P243.B (0)
Src n-Reg.I STOP
KK
P227.B (0)
Src 4 n(set/act)
KK
P224.B (0)
Src1 n(set/act)
n-Reg. Gain1
0.0 ... 1000.0
P235.F (10.0)
n-Reg. Gain2
0.0 ... 1000.0
P236.F (10.0)
n-Reg. Adapt.1
0.0 ... 200.0 %
P233.F (0.0)
n-Reg. Adapt.2
0.0 ... 200.0 %
P234.F (100.0)
K
P232.B (0)
Src n-Reg.Adapt.
U953.45 = ___(0)
n-Reg.Kp(act)
r237
B0203
Limitr FWDSpeed
KK0150
n(set, smooth)
KK0151
n(act, smooth)
KK
P220.B (75)
Src n(set)
Smooth n(set)
0.0 ... 100.0 ms
P221.F (0.0)
KK
P222 (91)
Q. n(act)
Smooth n(act)
0.0 ... 100.0 ms
P223 (0.0)
[min-1]
n(act,smooth)
r230
[min-1]
n(set,smooth)
r229
U953.43 = ___(0)
B0204
Limitr.REVSpeed
KK0156
Outp RefM.n-Reg
U953.41 = ___(0)
KK
P226.B (151)
Src 3 n(set/act)
U953.44 = ___(0)
Tdead RefModel
0.0 ... 4.9 SamplT.
P259.F (2.0)
Smooth I-comp.
0.5 ... 500.0 ms
P239.F (2.0)
KK0161
n-set(total)

Table of Contents

Other manuals for Siemens simovert masterdrives

Related product manuals