EasyManua.ls Logo

Siemens simovert masterdrives - Page 1006

Siemens simovert masterdrives
1547 pages
Print Icon
To Next Page IconTo Next Page
To Next Page IconTo Next Page
To Previous Page IconTo Previous Page
To Previous Page IconTo Previous Page
Loading...
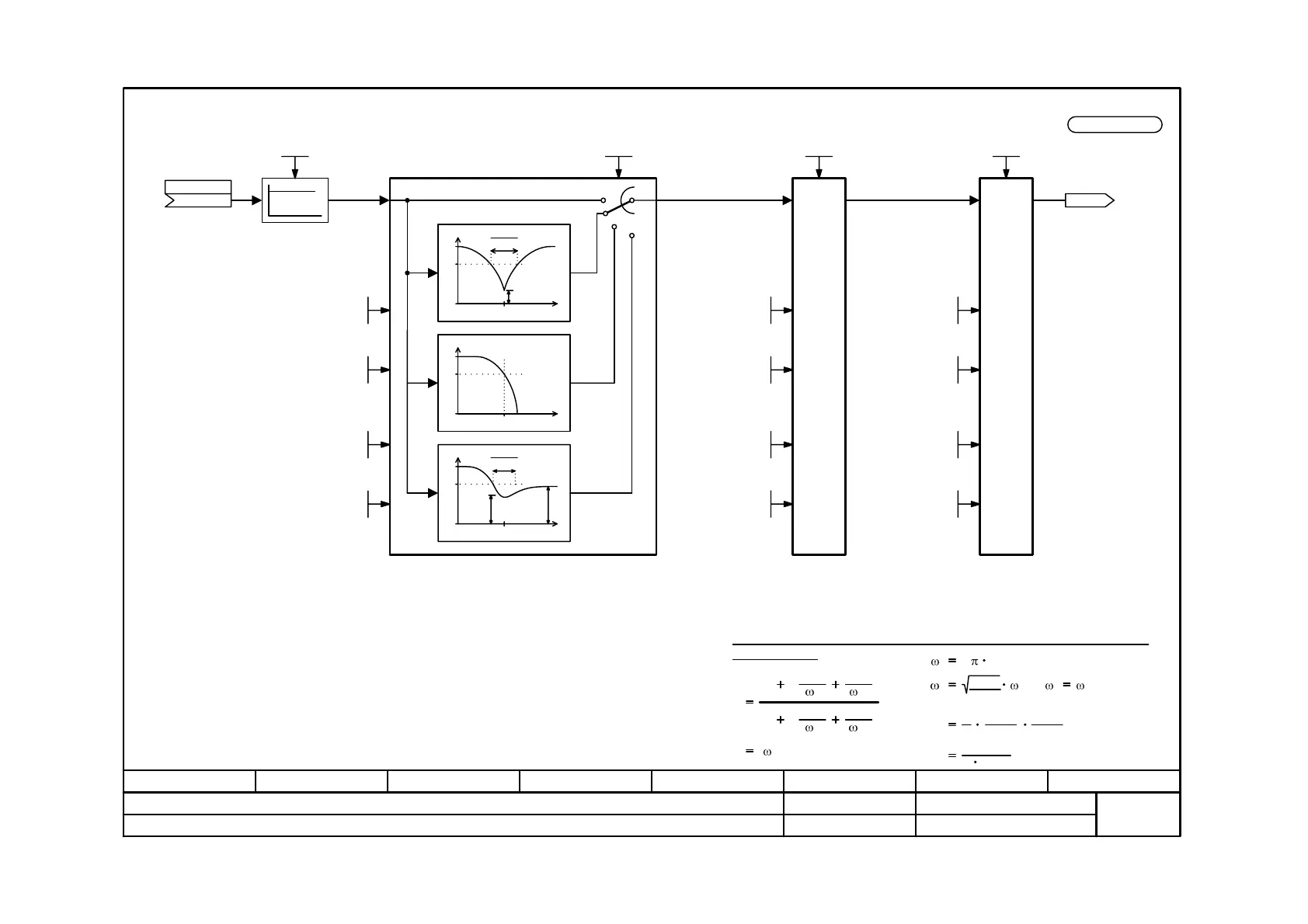
Function diagram
87654321
fp_mc_361_e.vsd
Speed filter
MASTERDRIVES MC
03.03.08
-361 -
V2.5
Filter 1 Filter 3Filter 2
as Filter 1
Please keep in mind that the resolution of the output variable diminishes as a smaller and
smaller filter frequency (P254) is selected.
This effect does not disturb as much if the filters are connected
- to the system deviation of the speed controller at P238 = 0 (PI controller)
(P252 = KK0152, P228 = KK0158)
- or to the output of the speed controller at P238 = 1 (reference model)
(P252 = K0153 , P260 = KK0158).
In addition, the calculation sequence must be adapted in both cases
(e.g. U963.42 = 5, U963.43 = 2, U963.45 = 3).
Only values in the range of 0 to 20 may be entered in U953.41...45.
as Filter 1
f
1
.7
0
P254
P253
P254
P257
f
1
.7
0
P254
2
1
0
f
1
.7
0
P254
P254
P257
P258
P253
3
The diagrams show examples of typical filter amplitude responses. The exact
bode diagram depends on the choosen parameters.
Transfer function for filter with 2nd order numerator denominator polynomial
for P256 = 1/3 :
2 d
N
Z
2
N
2
Z
N
2 d
Z
s
2
s1
s
2
s1
F
Z
2
P254
N Z
d
Z
1
2
d
N
1
P2532
j
s
N Z
, for P256 = 1,
KK
P252 (0)
Src Band-Stop
Band-Stop Gain
0.0 ... 150.0 %
P251 (100.0)
U953.42 = ___(0)
Filter character
0 .. 3
P256.1 (1)
Qty Band-Stop
0.0 ... 3.0
P253.1 (0.0)
Filter frequency
1.0 ... 500.0
P254.1 (50.0)
KK0158
n(Band-Stop)
Qty Band-Stop
0.0 ... 3.0
P253.3 (0.0)
Filter frequency
1.0 ... 500.0
P254.3 (50.0)
Qty Band-Stop
0.0 ... 3.0
P253.2 (0.0)
Filter frequency
1.0 ... 500.0
P254.2 (50.0)
Filter character
0 .. 3
P256.2 (0)
Filter character
0 .. 3
P256.3 (0)
Filter adaptation 1
0.000 ... 100.000 %
P257.1 (0.000)
Filter adaptation 2
0.000 ... 100.000 %
P258.1 (100.000 %)
Filter adaptation 1
0.000 ... 100.000 %
P257.2 (0.000)
Filter adaptation 2
0.000 ... 100.000 %
P258.2 (100.000 %)
Filter adaptation 1
0.000 ... 100.000 %
P257.3 (0.000)
Filter adaptation 2
0.000 ... 100.000 %
P258.3 (100.000 %)
P258
100%
1
P253
P257
100%

Table of Contents

Other manuals for Siemens simovert masterdrives

Related product manuals