EasyManua.ls Logo

Siemens simovert masterdrives - Page 1007

Siemens simovert masterdrives
1547 pages
Print Icon
To Next Page IconTo Next Page
To Next Page IconTo Next Page
To Previous Page IconTo Previous Page
To Previous Page IconTo Previous Page
Loading...
-100 %
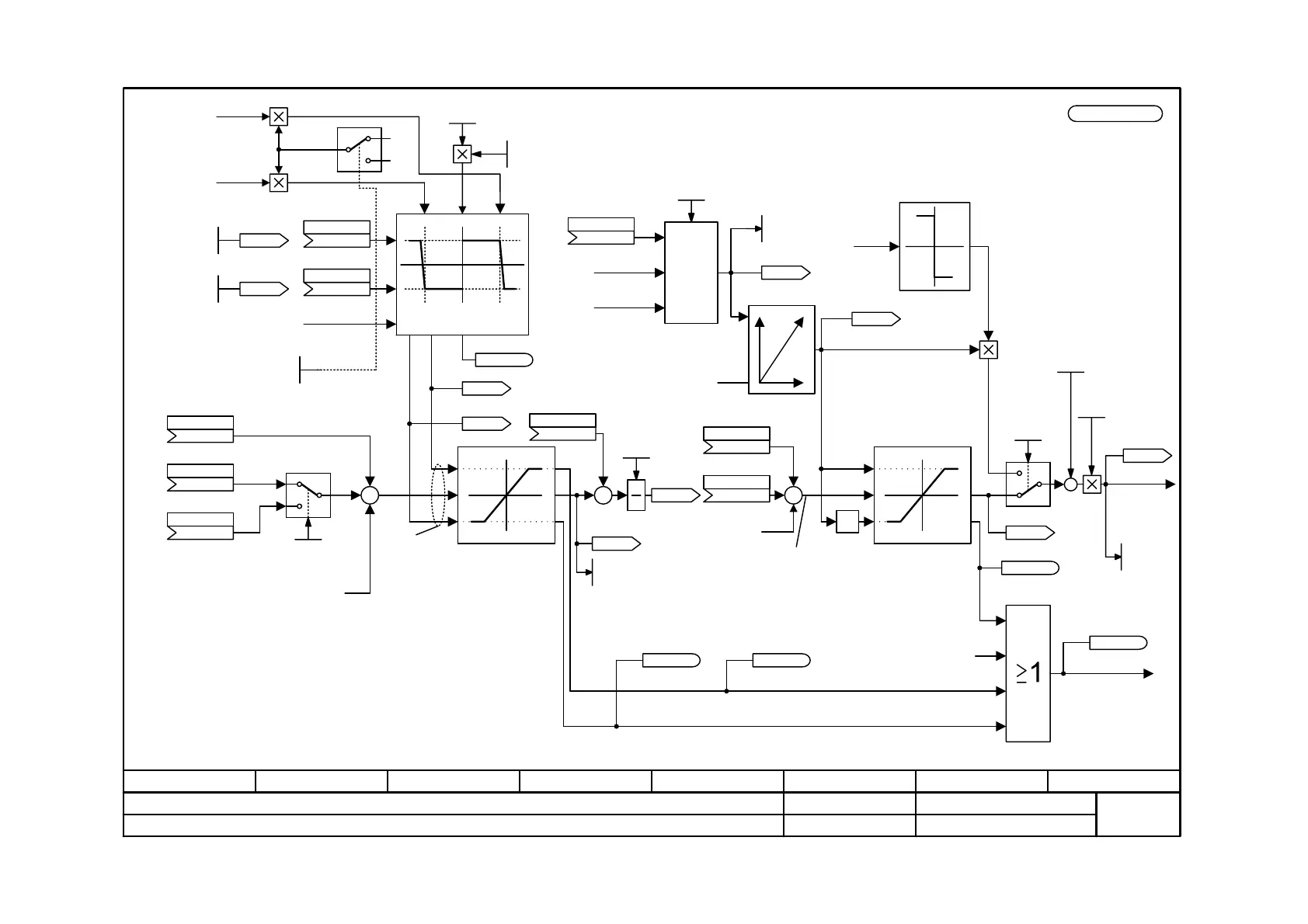
Function diagram
87654321
fp_mc_370_e.vsd
Torque limitation
MASTERDRIVES MC
03.03.08
-370 -
V2.5
to current
control
[390.2], [389.2]
0
1
x
y
+
x
y
x
y
x
y
0
1
+
+
Speed limiting
controller
y1
y2
x
y1y2
+
MIN
[490.4]
I²t calculation
Imax(Drv)
(depends on the
pulse frequency P340)
Isd(set,active)
from current control
-1
100 %
[500.5]
n(act)
from encoder
evaluation slot C
Current controller in limitation
from current controller
[390.8], [389.8]
Limitation active
to speed controller
[360.7]
n(act)
from actual-value
conditioning slot C
[500.5]
x
<1>
[in % of P354]
[in % of P350]
[in % von P350]
[in % of P350]
<1> For normalization of torque and currents, see [20]
+
+
<2>
<2> in the case of Compact/chassis max. 1.6 I
ConvNom
in the case of Compact PLUS max. 3 I
ConvNom
0
1
1,0
1,1
[320.7] max.
pos. speed
[370.7] max.
neg. speed
maximum 205 % of the reference speed
maximum -205 % of the reference speed
Compensation current
Harmonic
compensation
[630.7]
+
Cyclic
load compensation
(CLC) [631.6]
K0167
Isq(set,limitr)
K
P270.B (166)
Src I(sq,set)
K
P271.B (0)
Src I(sq,add)
K0166
Isq(set)
Magnetizing of
current control
[390.7], [389.7]
K0165
Torq(set,limit)
Torq (set, Lim)
r269 [Nm]
K
P260.B (153)
Src Torq (set)
K
P261.B (0)
Src Torq(conseq)
K
P262.B (0)
Src Torque(add)
FSetpTorq(Lim1)
-200.0 ... 200.0 %
P263.F (100.0)
K0170
T(limit1,set)
K
P265.B (170)
Src Torq(Limit 1)
FSetpTorq(Lim2)
-200.0 ... 200.0 %
P264.F (-100.0)
K0171
T(limit2,set)
K
P266.B (171)
Src Torq(Limit 2)
0.1 … 100.0
P247.F (1.0)
K0172
Torq(limit1,act)
B0230
n-LimitrReg act
K0173
Torq(limit2,act)
K
P275.B (2)
Src I(max)
Max Current
0.0 ... 1000.0 A
P128 (~)
K0175
Imax(perm)
I(max,set)
r129 [A]
n959.53 = ___(0)
K0176
Isq(max.,abs.)
B0233
AmpLimitr act.
No OFF3
from sequence
control
K0168
Isq(set,act)
Isq (set,act)
r272 [A]
Factor: clockwise/
anti-clockwise
[500.5]
B0234
n-Reg in Limitr
B0232
Torq(Lim2)act.
B0231
Torq(Lim1)act.
Master/slave drive
from control word 2 [190.5]
K
P267.B (0)
Src T(Add3)
n-Reg Gain (act)
[360.7]
P238 bit 2(0)
From VdMax
control
K0271

Table of Contents

Other manuals for Siemens simovert masterdrives

Related product manuals