EasyManua.ls Logo

Siemens simovert masterdrives - Page 1010

Siemens simovert masterdrives
1547 pages
Print Icon
To Next Page IconTo Next Page
To Next Page IconTo Next Page
To Previous Page IconTo Previous Page
To Previous Page IconTo Previous Page
Loading...
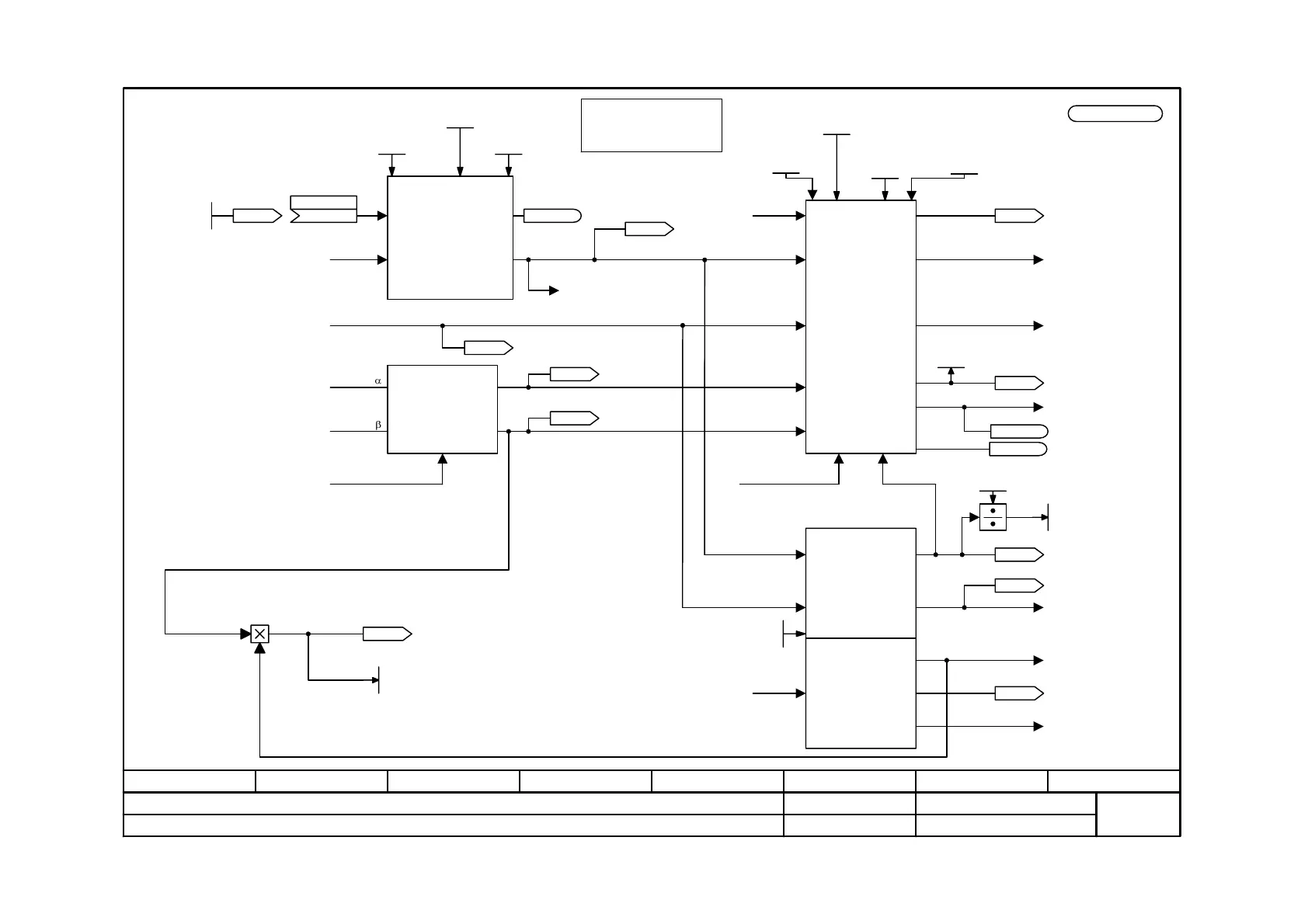
Function diagram
87654321
fp_mc_390a_e.vsd
Current controller asynchronous motor (P296 = 3)
MASTERDRIVES MC
03.03.08
- 390a -
V2.5
Reference variable for fluxes
Psi(...): rated magnetizing
Flux reference
control
and
flux control
Flux (act) from flux model [390.7]
to torque
limitation
Current control
Decoupling
Pre-control
Vector rotation
V
dc
link from actual
values [500.8]
Isq(set,act.)
from torque limitation [370.8]
Transformation
I
from actual values [500]
Transformation angle from flux model
[390.7]
I
from actual values [500]
to gating unit
[420.2]
to gating unit
[420.2]
to torque limitation
[370.7]
Pulse release
from sequence control
Flux model
Tr-Adaption [394]
to flux control [390.2]
Magnetization
to torque limitation
[370.4]
Transformation angle
to transformation
[390.2]
from actual values [500.4]
Is only calculated for
P290 (Sel V/f,I-Reg) = 0
(=current control) [420.3]
and P296 = 3
K0241 is calculated in 4T
0
FSetp Flux (set)
20.0 ... 200.0 %
P291 (100.0)
K0180
K
P292 (180)
Src Flux (set)
Select Flux Reg
0 / 1
P294 (0)
FieldWKFreq
0.0 ... 400.0 Hz
P293 (~)
B0251
Field weakening
K0183
Isd(set,act)
Amps Reg Gain
0.0 ... 200.0 %
P282 (80.0)
K0182
Isd(act)
K0184
Isq(act)
K0189
U(set,abs.)
B0250
I-Reg in Limitr
KK0186
Theta(I-Reg)
K0181
Psi(act)
K0188
n(slip)
n959.54 = ___(0)
K0241
M(act)
M(act)
r007 [%]
Ki-
Current controller
0.0 ... 100.0 %
P285 (0.0)
K0168
Isq(set,active)
K0185
Isq(Deviation)
Position test angle
in mech. degrees
r286
zP
Motor #pole pairs P109 [391.3]
U(set, abs.)
r003
Flux Ctrl Gain
P297
f (Switch./Mod)
1 ... 99 %
P314
f (Switch. EMK Mod)
1 Hz ... 8xP107
P313
B0253 EMF model active
Smooth Psi(act)
0 … 200 ms
P301 (0)

Table of Contents

Other manuals for Siemens simovert masterdrives

Related product manuals