EasyManua.ls Logo

Siemens simovert masterdrives - Page 1013

Siemens simovert masterdrives
1547 pages
Print Icon
To Next Page IconTo Next Page
To Next Page IconTo Next Page
To Previous Page IconTo Previous Page
To Previous Page IconTo Previous Page
Loading...
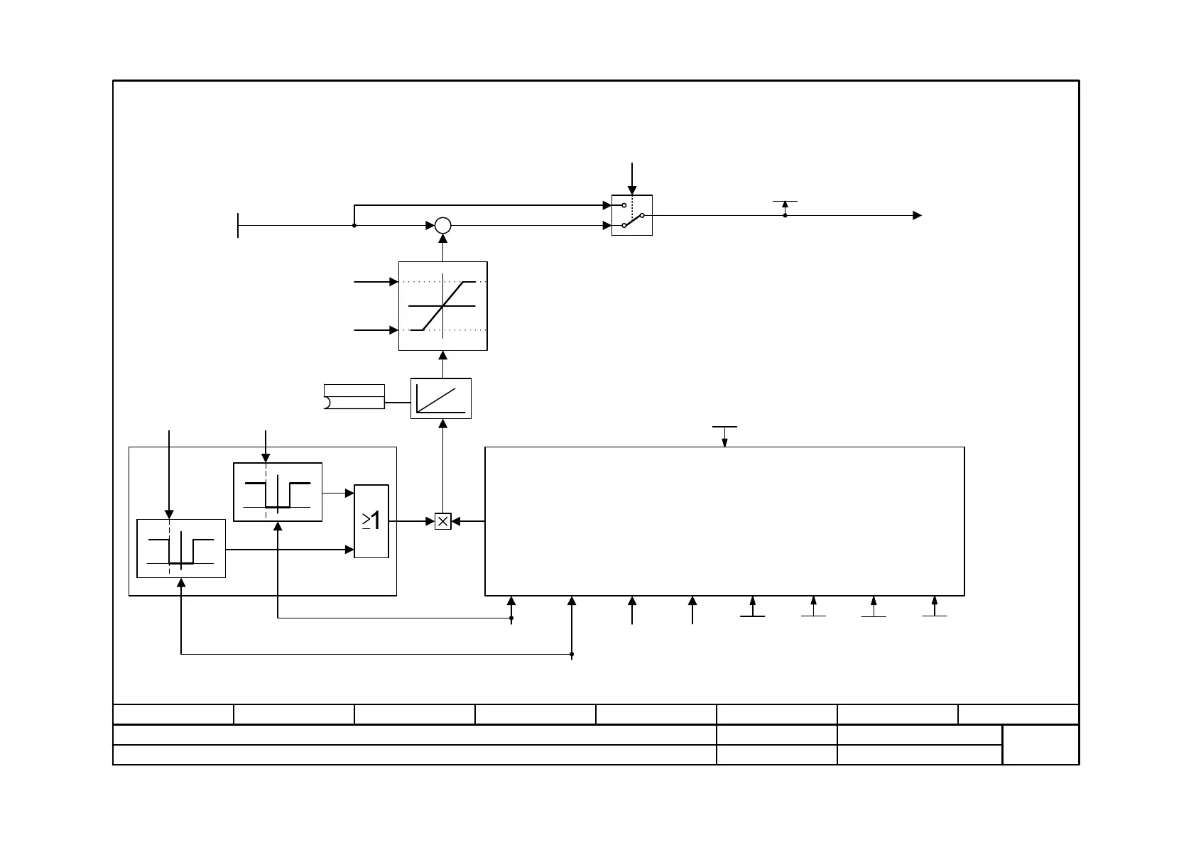
Function diagram
87654321
fp_mc_394_e.vsd
Tr-Adaptation for asynchronous machines
MASTERDRIVES MC
14.10.10
-394 -
V2.5
x
y
+
+
Max. deviation
0.0
For P92=0.00% the
adaptation is switched off
(less computing time)
Applies only to induction motors
(P95=2 or P95=4)
Tr-Adaptation
Isd(act)
n(act) usq(act),
usd(act)
Isq(act)
x
y
0
1
x
y
0
1
Max. deviation
-0.6 * P124
Isq(act) > 0.15 * P102 n(act) > 3Hz
0
1
Actual value of rotor
time constant Tr
for flux model [390.6]
Bit2 status_word1
Operation / Pulses blocked
Rotor time const.
0 ... 10000 ms
P124 (0 ms)
Tr Actual value
[%]
r093
Tr-Adaptation Kp
0.00 ... 200.00 %
P092 (0.00 %)
Stator
reactance
P123
Total contr
reactance
P122
Stator
resistance
P121
Ls=f(isd)
P111.1 to .10
P317
Reset Tr Adapt

Table of Contents

Other manuals for Siemens simovert masterdrives

Related product manuals