EasyManua.ls Logo

Siemens simovert masterdrives - Page 1012

Siemens simovert masterdrives
1547 pages
Print Icon
To Next Page IconTo Next Page
To Next Page IconTo Next Page
To Previous Page IconTo Previous Page
To Previous Page IconTo Previous Page
Loading...
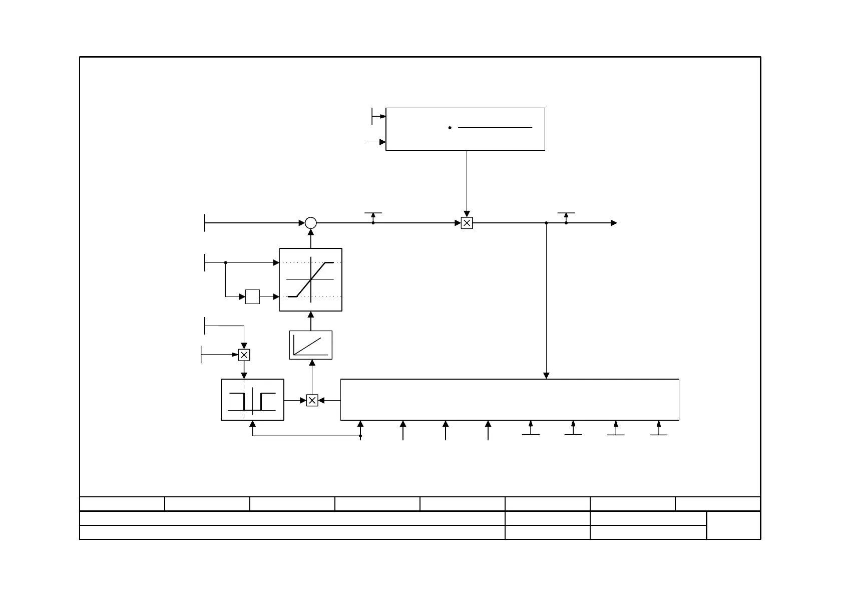
Function diagram
87654321
fp_mc_393_e.vsd
Adaptation of torque constant in the case of synchronous motors
MASTERDRIVES MC
03.03.08
-393 -
V2.5
x
y
-1
+
+
1 + P090.2
140 °C - r009
100
Motor temperature
(r009)
Actual value of torque constant kT
as magnetization for torque limitation
[370.4]
Rotor temperature
adaptation
For P091.2 = 0.0 % the
estimator is switched off.
(less computing time)
If no temperature sensore is
connected, rotor temperature
adaptation is switched off.
Applies only to synchronous motors
P95=1, P95=3, P95=5 or P95=6
x
y
0
1
kT-Estimator
Motor
temperature
(r009)
Isd(act),
Isq(act)
n(act) usq(act)
If no temperature sensor is
connected, estimator accuracy is
greatly reduced.
Standstill
torque constant kT0
0.10 ... 15.00 Nm/A
P098 (1.40 Nm/A)
Max. deviation
0.0 % ... 30.0 %
P091.2 (0.0 %)
Application speed
x.x ... 100.0 %
P091.1 (20 %)
kT nominal value
[Nm/A]
r088
kT-actual value
[Nm/A]
r089
Temperature dependence
0.0 % ... 20.0 %
P090.2 (12.0 %)
Motor rated speed
P108
Motor pole
pair number
P109
Stator
resistance
P121
Main field
inductance
P120
Ratio Lq/Ld
P119

Table of Contents

Other manuals for Siemens simovert masterdrives

Related product manuals