EasyManua.ls Logo

Siemens simovert masterdrives - Page 1015

Siemens simovert masterdrives
1547 pages
Print Icon
To Next Page IconTo Next Page
To Next Page IconTo Next Page
To Previous Page IconTo Previous Page
To Previous Page IconTo Previous Page
Loading...
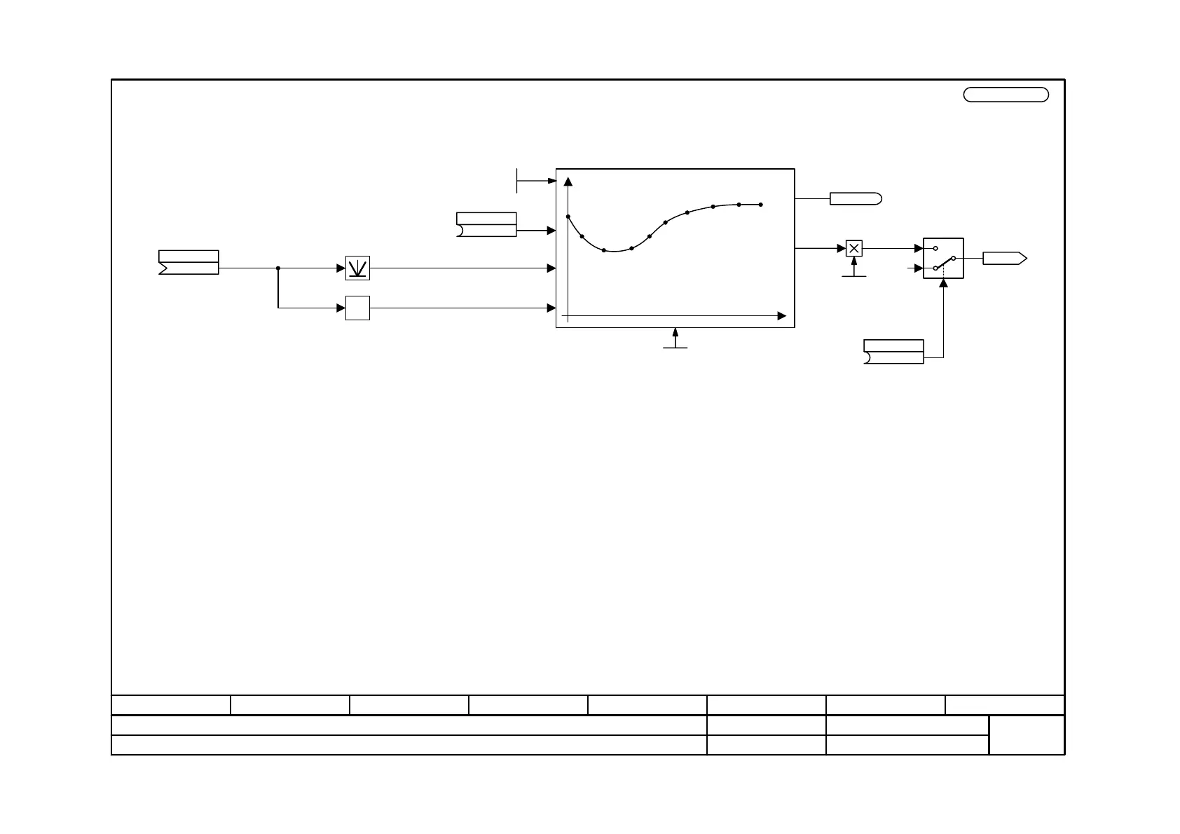
Function diagram
87654321
fp_mc_399_e.vsd
Friction characteristic
MASTERDRIVES MC
02.02.04
-399 -
V2.5
n
M
1
0
0
sign.
n959.58 = 2
n-Friction Characteristic
0.000 ... 200.000 %
U215.1 to .10
Weight T-Fric
0.0 ... 200.0 %
U217.F (100.0)
B0690
Rec FricCharac
B
U218.B (0)
Src On FricCharac
K0615
T(Fric.)
T Friction Characteristic
0.0 ... 200.0 %
U216.1 to .10
B
U219.B (0)
Src Rec FricChar
KK
U214.B (0)
Src n(FricChar)

Table of Contents

Other manuals for Siemens simovert masterdrives

Related product manuals