EasyManua.ls Logo

Siemens simovert masterdrives - Page 1016

Siemens simovert masterdrives
1547 pages
Print Icon
To Next Page IconTo Next Page
To Next Page IconTo Next Page
To Previous Page IconTo Previous Page
To Previous Page IconTo Previous Page
Loading...
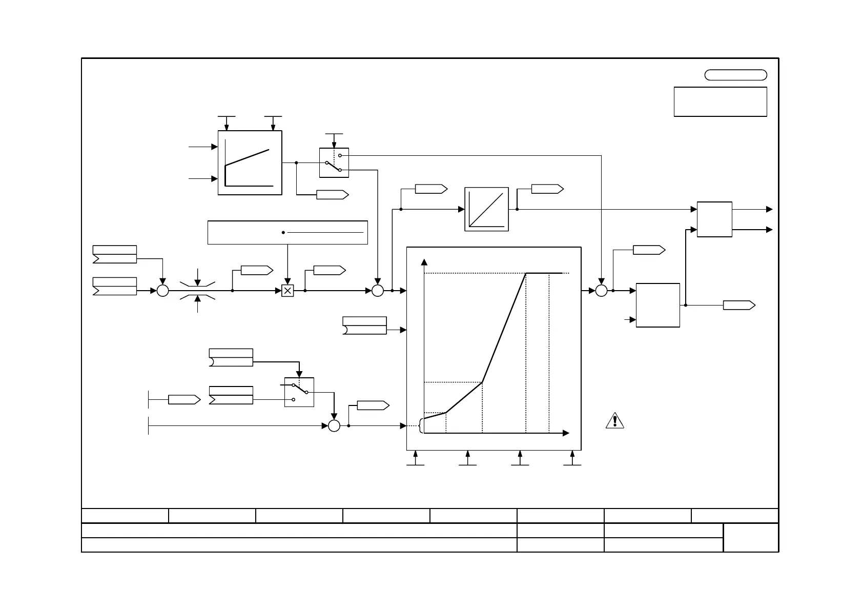
Function diagram
87654321
fp_mc_400_e.vsd
V/f characteristic
MASTERDRIVES MC
08.01.02
-400 -
V2.5
Kp Tn
Is only calculatd for
P290 (Sel V/f,I-Reg.) = 1
(= V/f characteristic) [420.3]
Imax(perm) from
torque limitation [370.4]
I(act,abs)
from actual values [500.6]
0
1
Imax controller
+
+
n(max.FWDSpeed)
[320.7]
n(max.REVSpeed)
[320.7]
Mot #PolePairs [390.1]
Ref Speed [20.5] / 60
Ref Frequency [20.5]
+
+
U
f
.3,.4
.2
.1
.3.2.1 .4
P326, P328
P327, P329
+
+
0
1
0 %
<1> <1>
<2>
+
+
Vd correction
U
ZK
from
actual values
[500.8]
PK
converter
A(beta,V/f)
A(alpha,V/f)
to gating unit
P333 ImaxRegMode: 0 = Reduction of voltage
1 = Reduction of frequency
<1>
<2>
During operation with the V/f characteristic
(P290 = 1) without encoder, it is necessary
for the correct function of the OFF1 command
that the P799 (OFF source set value) is set to
200. In order to avoid the alarm
”Set-Actual Deviation”, the P791 (source
variable) should also be set to 200.
In case further ”messages” from the
function diagram 480 are used, the actual source
value must be adjusted.
If P332 = 32000, the I-component is set to zero.
The individual frequency values have to be
in ascending order and must differ
from each other by at least 1 Hz.
n959.55 = 4
Imax Reg Gain
0.001 ... 0.500
P331 (0.005)
Imax Reg Time
1 ... 32000 ms
P332 (1000)
Imax Reg Mode
0 / 1
P333 (1)
K0208
I max- Reg.(Out)
KK
P320.B (0)
Src n(set,V/f)
KK
P321.B (0)
Src n(add,V/f)
KK0206
n(set,V/f)
KK0207
f(set,V/f)
B
P330 (0)
Src Select Curve
K0203
Boost
K
P323 (202)
Src Add Boost
K0202
FSetp AddBoost.
FSetp AddBoost
0.0 ... 100.0 %
P322 (2.0)
B
P324 (0)
Src Rel AddBoost
FSetp Boost
0.00 ... 100.00 V
P325 (2.00)
Freq Curve 1
1.0 ... 400.0 Hz
P326.1 to .4
Volts Curve 1
0.0 ... 1000.0 V
P327.1 to .4
Freq Curve 2
1.0 ... 400.0 Hz
P328.1 to .4
Volts Curve 2
0.0 ... 1000.0 V
P329.1 to .4
K0205
A(set,V/f)
K0204
U(set,V/f)
KK0200
f(set,V/f)
KK0201
Theta (V/f)

Table of Contents

Other manuals for Siemens simovert masterdrives

Related product manuals