EasyManua.ls Logo

Siemens simovert masterdrives - Page 1017

Siemens simovert masterdrives
1547 pages
Print Icon
To Next Page IconTo Next Page
To Next Page IconTo Next Page
To Previous Page IconTo Previous Page
To Previous Page IconTo Previous Page
Loading...
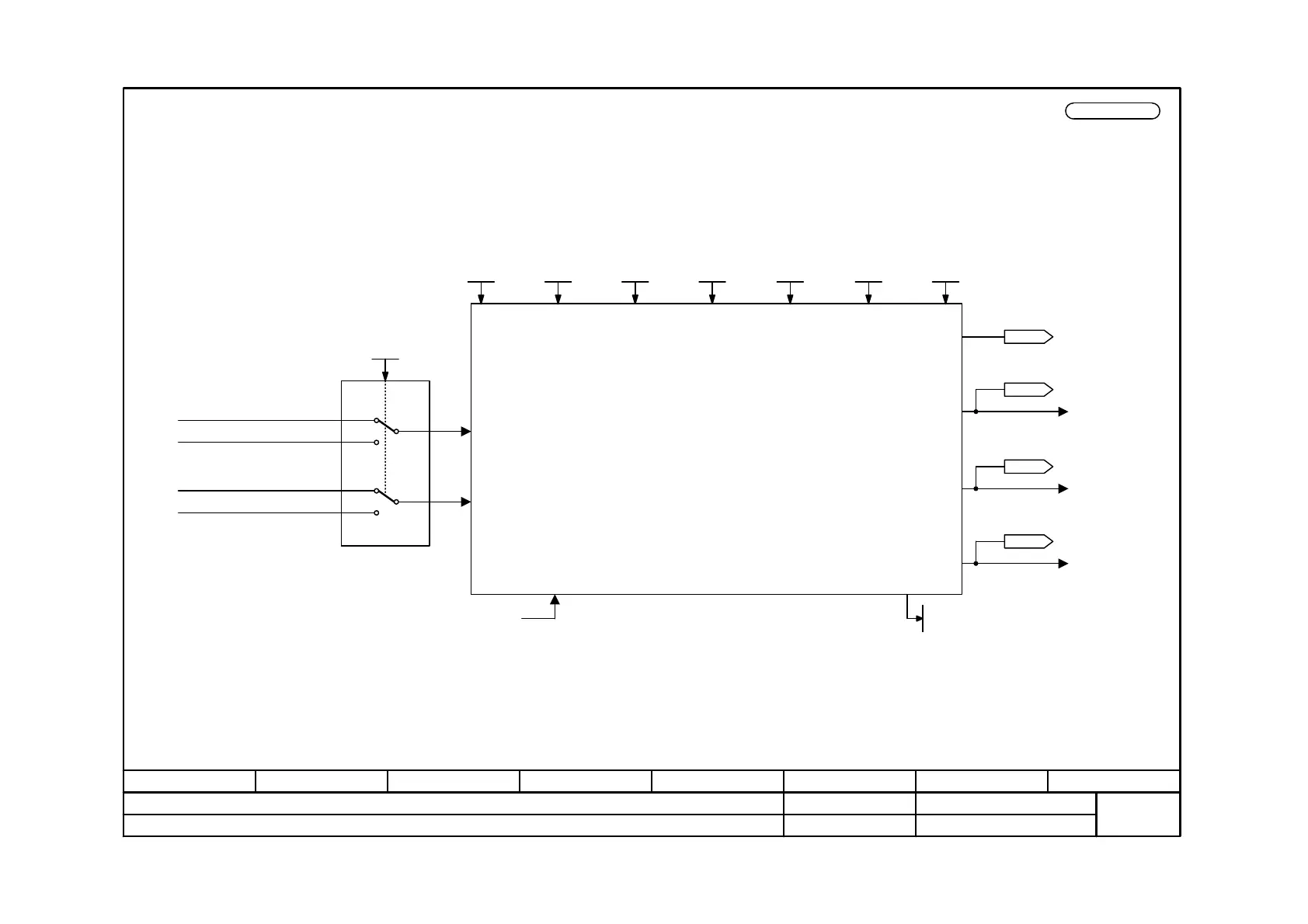
Function diagram
87654321
fp_mc_420_e.vsd
Gating unit
MASTERDRIVES MC
14.10.10
All kinds of closed-loop and open-loop control
-420 -
V2.5
to PWM unit
0
1
0
1
Gating unit
Asynchronous
space vector modulation
to PWM unit
to PWM unit
A(alpha) from current control
A(alpha) from V/f control
A(beta) from current control
A(beta) from V/f control
Pulse release
from sequence
control
Parameters P348 and P349 are only effective for Compact
and chassis units or generally if ASM specialized control is
selected (P296 = 3).
SamplingFreq
5.0 ... 10.0 kHz
P340 (5.0)
K0222
[100% = full block modulation]
ModDepth (abs)
K0223
Switch-on Time1
K0224
Switch-on Time2
K0225
Switch-on Time3
Sel V/f, I-Reg.
0/1
P290 (0)
n959.56 = 0
PulseFreqRatio
0 … 1
P357 (0)
Max.
ModulatDepth
20 ... 100 %
P342 (100)
Tdead Limitr Adj
0 … 200
P346 (50)
ON Volts
Compens.
0 ... 25 V
P347 (7.0)
Dead Time
Comp.
(0 … 1)
P348 (1)
T(Dead Time Comp.)
0.00 ... 25.55
P349 (0.00)
Modulation Depth
r343

Table of Contents

Other manuals for Siemens simovert masterdrives

Related product manuals