EasyManua.ls Logo

Siemens simovert masterdrives - Page 1018

Siemens simovert masterdrives
1547 pages
Print Icon
To Next Page IconTo Next Page
To Next Page IconTo Next Page
To Previous Page IconTo Previous Page
To Previous Page IconTo Previous Page
Loading...
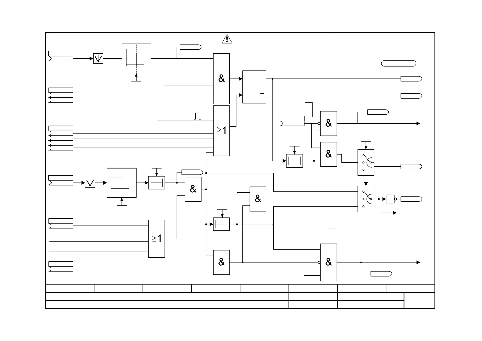
Function diagram
87654321
fp_mc_470_e.vsd
Braking control
MASTERDRIVES MC
08.01.02
-470 -
V2.5
0
1
x
y
Limit val. monitor
1
T0
0
1
x
y
(K242 = Absolute current (500.7)
x
.01 (104) (B104="operation"[200.6]
.02 (1)
(KK091 = Act. speed value
from motor encoder)
x
y
"OFF command" from sequence control
(e.g. OFF1, 2 or 3=0) [180.7]
"Fault" from status word 1, bit 3 [200.6]
.01 (105) (B105 = no "operation" [200.7]
.02 (0)
.03 (0)
.04 (0)
[710.5] POWER ON
(to digital output)
<1>
Brake with checkback msg
(P605=2) [470.7]
Alarm A037 Brake cannot be closed
0
2
1
0
2
1
Alarm A036
Brake cannot be opened
T0
T0
<1>
Brake with checkback message P605.2 [470.7]
1
Limit value monitor
Machine magnetized
SET
(Q=1) Q
RESET
(Q=0) Q
Priority
1 RESET
2 SET
(e.g. from digital input)
<1>
Warning: If braking control is used, B0277 and B0278 must be connected up!
Example of connecting up the braking control:
P605=2 Brake with checkback message (NO contact switches if brake closes) [470.7]
P561=278 Inverter release from B0278 [180.3]
P564=277 Setpoint release from B0277 [180.3]
P654=275 Open brake via digital output 4 [90.6]
P613=20 Checkback "Brake Closed" from dig. input 6 [90.5], [470.4]
P612=21 Checkback "Brake Opened" from dig. input 6 [90.5], [470.5]
<1>
Sampling time for braking control
(factory setting: T7=128*T0
T
Delay
Pulse disabling and
brake [480.6]
Delay
<1> <2>
<2> Attention: If braking control is used, withdrawal of the inverter release B278
has to be effected prior
to the gating pulse block on sheet [480],
i.e. the following 2 conditions must be satisfied:
P801 > P617 + P607 and P800 < P616.
B
P608
"Brake open" command
B
B
P609
"Immediately
close brake"
command
B
B
B
B
P613 (0)
Checkback 1=Brake closed
K
P610 (242)
Criterion for "Brake open"
Src BrakeThresh1
B0281
BrakeThr1 over
B0282
BrakeThr2 under
B
P614 (0)
"Close holding brake" command"
B0275
Open Brake
B0276
Close Brake
B0280
Chkbk BrakeOp
B0278
Inverter release
from brake
B0277
Setp release from
brake
B0279
Chkbk BrakeCl
B
P612 (1)
Checkback msg
1=Brake open
(e.g. from dig. input)
K
P615 (91)
Criterion for
"Close holding brake"
Src BrakeThresh2
BrakeOpenTime
0.00 ... 10.00 s
P606 (0.20)
BrakeThresh2Time
0.00 ... 100.00 s
P617 (0.00)
BrakeCloseTime
0.00 ... 10.00 s
P607 (0.10)
BrakeThresh2
0.0 ... 200.0 %
P616 (0.5)
Brake Thresh1
0.0 ... 200.0 %
P611 (0.0)
U953.48 = ___(7)
"Braking control" operating mode
0 = No brake
1 = Brake without checkback
2 = Brake with checkback
P605 (0)

Table of Contents

Other manuals for Siemens simovert masterdrives

Related product manuals