EasyManua.ls Logo

Siemens simovert masterdrives - Page 1019

Siemens simovert masterdrives
1547 pages
Print Icon
To Next Page IconTo Next Page
To Next Page IconTo Next Page
To Previous Page IconTo Previous Page
To Previous Page IconTo Previous Page
Loading...
Function diagram
87654321
fp_mc_480_e.vsd
Messages
MASTERDRIVES MC
30.08.01
-480 -
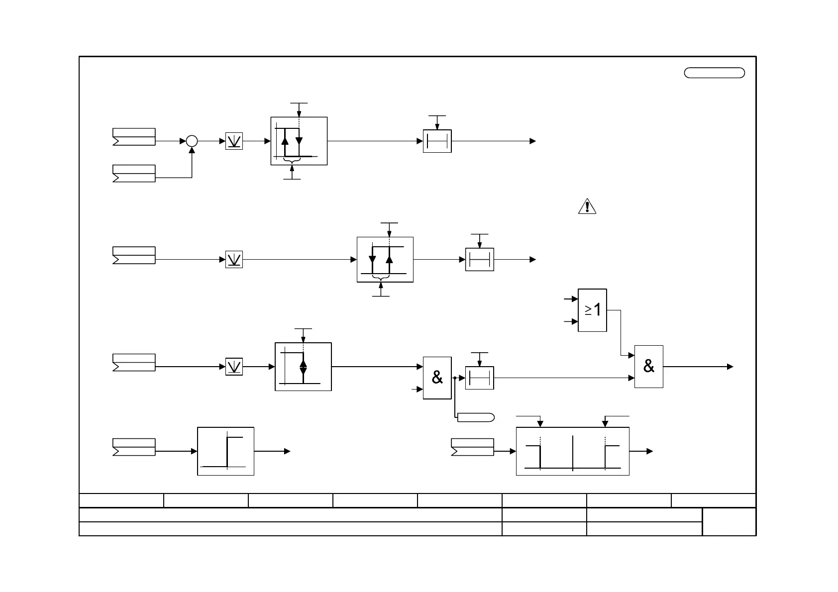
V2.5
+
0T
OFF Delay
No Set/Act deviation
to status word 1, bit 8 [200.2]
A034
Set/Act deviation
(Is only calculated in OFF1, OFF3, OPERATION
AND MOTID)
0
1
0
1
0T
OFF Delay
Comparison value reached
to status word 1, bit 10 [200.2]
0
1
OFF1 or OFF3
from sequence control
T0
Delay
Pulse disable
and brake [470.8]
No brake
(P605 = 0)
Gating pulse disable
0
1
Positive speed setpoint
to status word 1, bit 14 [200.2]
0
1
A033: Overspeed
Overspeed
to status word 2, bit 18 [210.2]
[320.7]
n(max, REV Spd
[320.7]
n(max, REV Spd)
<1>
If OFF3 is used, the turn-off time
P801 = 0.0 must be set
WARNING
<1>
n959.60 = 4
K
P790 (150)
Src Setp
K
P791 (91)
Src ActV
K
P795 (91)
Src Comp ActV
K
P799 (91)
Src OFF ActV
Set/Act Hyst
0.0 ... 200.0 %
P793.F (2.0)
Perm Deviation
0.0 ... 200.0 %
P792.F (3.0)
Deviation Time
0.0 ... 100.0 s
P794.F (3.0)
Compare Hyst
0.0 ... 200.0 %
P797.F (3.0)
Compare Value
0.0 ... 200.0 %
P796.F (100.0)
Compare Time
0.0 ... 100.0 s
P798.F (3.0)
OFF Value
0.0 ... 200.0 %
P800.F (0.5)
OFF Time
0.00 ... 100.00 s
P801.F (0.00)
K
P802 (150)
Src Speed Setp
K
P803 (91)
Src Speed ActV
B409
OFF&ActV

Table of Contents

Other manuals for Siemens simovert masterdrives

Related product manuals