EasyManua.ls Logo

Siemens simovert masterdrives - Page 1020

Siemens simovert masterdrives
1547 pages
Print Icon
To Next Page IconTo Next Page
To Next Page IconTo Next Page
To Previous Page IconTo Previous Page
To Previous Page IconTo Previous Page
Loading...
Function diagram
87654321
fp_mc_490_e.vsd
Protective functions
MASTERDRIVES MC
08.09.04
Part 1
-490 -
V2.5
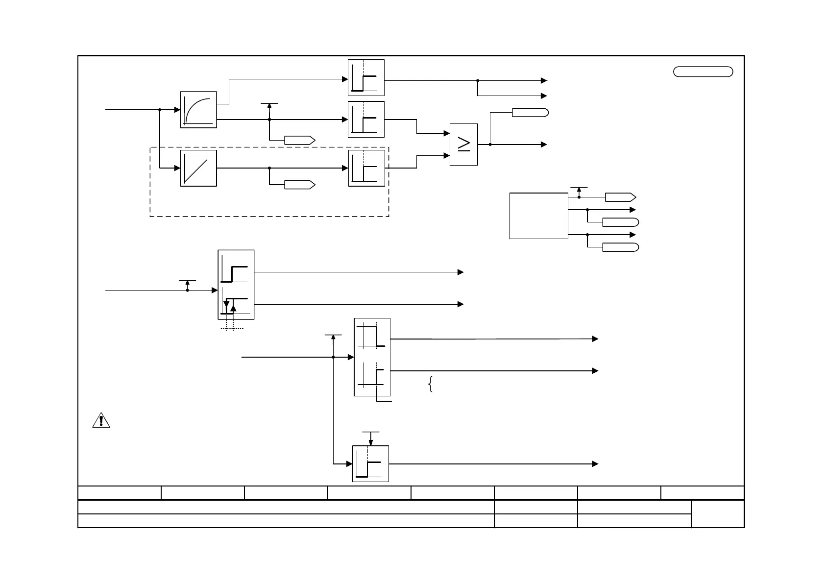
i2t calculation
0
1
100 %
V
dc
=
P071 : DC-AC
1,35 * P071 : AC-AC
0
1
0,76 * V
dc_link
1
0
Short time i2t
Calculting time
monitoring
F042 "Free calculating time"
A001 "Free calculating time"
to status word 1, bit 11 [200.2]
F008: DC link undervoltage
F006: DC link overvoltage
from actual
values [500.4]
Vdc(act)
Converter temperature
A022: Inverter temperature
to status word 2, bit 24 [210.2]
F023: Excess temperature of inverter
to status word 2, bit 23 [210.2]
Drive overload
Drive output current
0
1
Alarm
Drive overload
0
1
100 %
A025: I2t converter
<2> P74 may never be smaller than the peak rectified value
at the maximum mains voltage occurring (P71).
Otherwise, the brake chopper is continuously energized
which may result in overheating of the braking resistor.
0
1
<1>
<2>
to brake chopper control
<1> For Compact PLUS inverters only (AC/AC)
Alarm with
halved time constant
to status word 2, bit 22 [210.2]
Only available on Compact PLUS units.
WARNING
800...819...835 V
to torque limitation [370.4]
0
1
1
0
2 °C
Drive Utilizat.
r010
K0246
Drive Utilizat.
DC link voltage
r006
n959.61 = P357
K0251
(only Compact PLUS)
CalcTimeHdroom
r829.01
B0091
B0090
K0248
Free calculating time
B0227 Current
Chopper threshold
P74 (750 V)
590...750 V
Converter temperature
r833.01

Table of Contents

Other manuals for Siemens simovert masterdrives

Related product manuals