EasyManua.ls Logo

Siemens simovert masterdrives - Page 1021

Siemens simovert masterdrives
1547 pages
Print Icon
To Next Page IconTo Next Page
To Next Page IconTo Next Page
To Previous Page IconTo Previous Page
To Previous Page IconTo Previous Page
Loading...
Function diagram
87654321
fp_mc_491_e.vsd
Protective functions
MASTERDRIVES MC
18.01.06
Part 2
-491 -
V2.5
to status word 2, bit 25 [210.2]
A023:
Motor overtemperature
to status word 2, bit 26 [210.2]
F020:
Motor overtemperature fault
Encoder evaluation, slot C
0
1
1
0
from evaluation of
actual-values
[500.8]
1
0
A029:
Alarm motor overtemperature
to status word 2, bit 25 [210.2]
F021:
Fault motor overtemperature
to status word 2, bit 26 [210.2]
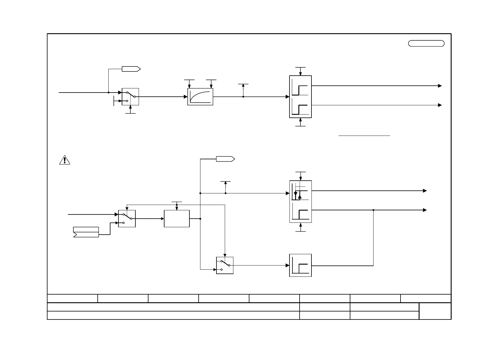
i2t Calculation
Motor temperature monitoring:
No temperature sensor: P131 = 0
Monitoring with KTY84: P131 = 1
PTC monitoring: P131 = 2
Monitoring with PT100: P131 = 3
Monitoring with KTY83: P131 = 4
Coupling via Src Motor Temp.: P131 = 5
Temperature
evaluation
It is not possible to evaluate the motor temperature for
encoder evaluations that are not inserted in slot C.
WARNING
0
1
1
0
2 °C
0
1
F020:
Motor overtemperature fault
max. temp = 140 °C
min. temp = -55 °C
X
3
KTY83 selected
X
5
Mot Tmp Fault
0 ... 300 °C
P381 (120)
Mot Tmp Warning
0 ... 300 °C
P380 (100)
Motor Temperat.
r009
K0245
Motor Temperat.
Select TmpSensor
0 ... 5
P131 (1)
n959.63 = P357
K0242
OutputAmps(rms)
Motor Utilization
r008
Mot. Load Limits
0 ... 300 %
P384.1 (100 %)
0
Mot. Load Limits
0 ... 300 %
P384.2 (100 %)
K
P138
Q.MotorTemp
Motor Cooling
0 ... 1
P382 (1)
Mot.Temp.T1
0 ... 16 000 s
P383 (100 s)
0) Otherwise
1) For no temperature sensor (P131 = 0)
and P383 100 s

Table of Contents

Other manuals for Siemens simovert masterdrives

Related product manuals