EasyManua.ls Logo

Siemens simovert masterdrives - Page 1022

Siemens simovert masterdrives
1547 pages
Print Icon
To Next Page IconTo Next Page
To Next Page IconTo Next Page
To Previous Page IconTo Previous Page
To Previous Page IconTo Previous Page
Loading...
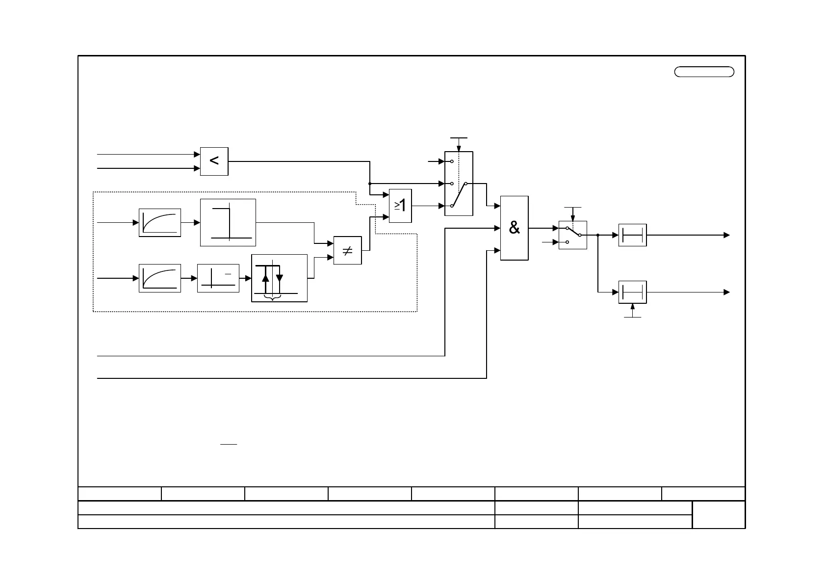
Function diagram
87654321
fp_mc_492_e.vsd
Protective functions
MASTERDRIVES MC
14.10.10
Part 3 (blocking protection)
-492 -
V2.5
Setpoint/actual deviation
Status word 1, bit 8 [200.2]
n/f(act) speed conditioning (KK0091)
[500.4]
2 % n-ref
Isq(act)
[390.4]
n(act)
[500.5]
T = 16 x Tab
T = 16 x Tab
d
dt
2
1
0
0
n-controller output in limitation [370.8]
1
0
0
0T
Output deceleration
15 x Tab
0T
Fault F015
Motor stalled
To status word 2 Bit2
[210.2]
Alarm A042
Motor stalled
P806:
2: De-energized
1: Only stall protection
0: Stall and overload protection
0
1
0.2 %
0
1
1 = Setpoint acceleration negative
0 = Setpoint acceleration positive
1 = Actual acceleration negative
0 = Actual acceleration positive
The circuit checks whether the specified direction of acceleration
matches the direction of acceleration of the drive
n957.72 = 6
Fct Stall/Overload
0 ... 2
P806 (0)
Master/slave drive
Control word 2 [190.5]
Stall/Block Time
0.00 ... 100.00 s
P805 (50.00)
<1>
<1>
<1>
340P
1
x 64Tab =
<1>
Tab – Sampling time

Table of Contents

Other manuals for Siemens simovert masterdrives

Related product manuals