EasyManua.ls Logo

Siemens simovert masterdrives - Page 1023

Siemens simovert masterdrives
1547 pages
Print Icon
To Next Page IconTo Next Page
To Next Page IconTo Next Page
To Previous Page IconTo Previous Page
To Previous Page IconTo Previous Page
Loading...
Function diagram
87654321
fp_mc_493_e.vsd
Protective functions
MASTERDRIVES MC
14.10.10
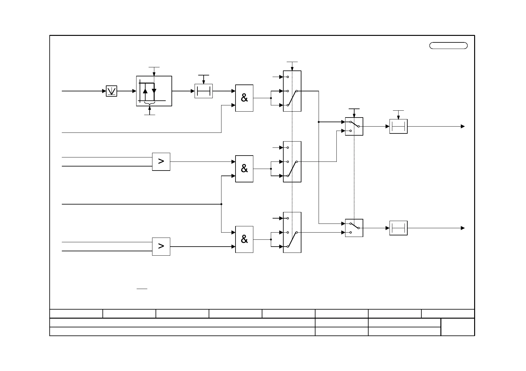
Part 4 (stall diagnosis V/f characteristic (P290 = 1))
-493 -
V2.5
Imax Controller (Outp)
[400.3]
2
1
0
Fault F015
Motor stalled
To status word 2 bit2
[210.2]
2
1
0
2
1
0
0
0T
Imax Controller active
[400.2]
0
0
Imax Controller active
[400.2]
Imax Reg (Outp)
[400.3]
50 % U(set, v/f)
Imax Reg (Outp)
[400.3]
25 % U(set, v/f)
0T
Output deceleration
15 x Tab
Alarm A042
Motor stalled
0T
P806:
2: De-energized
1: Stall protection
0: Stall protection
0
1
1
0
1
0
0 : Voltage adjustment
1 : Frequency adjustment
n957.73 = 6
Fct Stall/Overload
0 ... 2
P806 (0)
Deviation Time
P794.F [480.3]
Stall/Block Time
0.00 ... 100.00 s
P805 (50.00)
Set/Act-Hyst
P793.F [480.3]
Perm Deviation
P792.F [480.3]
Imax Reg Mode
P333 [400.3]
<1>
Tab – Sampling time
340P
1
x 64Tab =
<1>

Table of Contents

Other manuals for Siemens simovert masterdrives

Related product manuals