EasyManua.ls Logo

Siemens simovert masterdrives - Page 1024

Siemens simovert masterdrives
1547 pages
Print Icon
To Next Page IconTo Next Page
To Next Page IconTo Next Page
To Previous Page IconTo Previous Page
To Previous Page IconTo Previous Page
Loading...
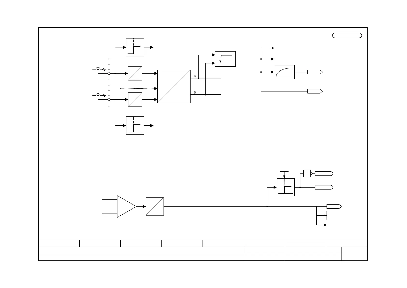
Function diagram
87654321
fp_mc_500_e.vsd
Actual values
MASTERDRIVES MC
09.11.01
-500 -
V2.5
IL1
D
A
IL3
IL2 = -IL1 -IL3
"2"
"3"
I
I
to current control [390.2]
to current control [390.2]
II
αβ
22
+
I(act,abs)
F011: Overcurrent
F011: Overcurrent
C / L+
D / L-
+
D
A
to alarms and
faults [490.2]
1
D
A
100 ms
Output Amps
r004
n959.62 = 0
KK0240
DC Bus Volts act
DC Bus Volts
r006
V DCLink(Thresh)
0 ... 1000 V
P788 (800)
B0290
DC volts > thr
B0291
DC volts< thr
K0022
I(Abs smooth)
K0242
I(Outp Abs)

Table of Contents

Other manuals for Siemens simovert masterdrives

Related product manuals