EasyManua.ls Logo

Siemens simovert masterdrives - Page 1025

Siemens simovert masterdrives
1547 pages
Print Icon
To Next Page IconTo Next Page
To Next Page IconTo Next Page
To Previous Page IconTo Previous Page
To Previous Page IconTo Previous Page
Loading...
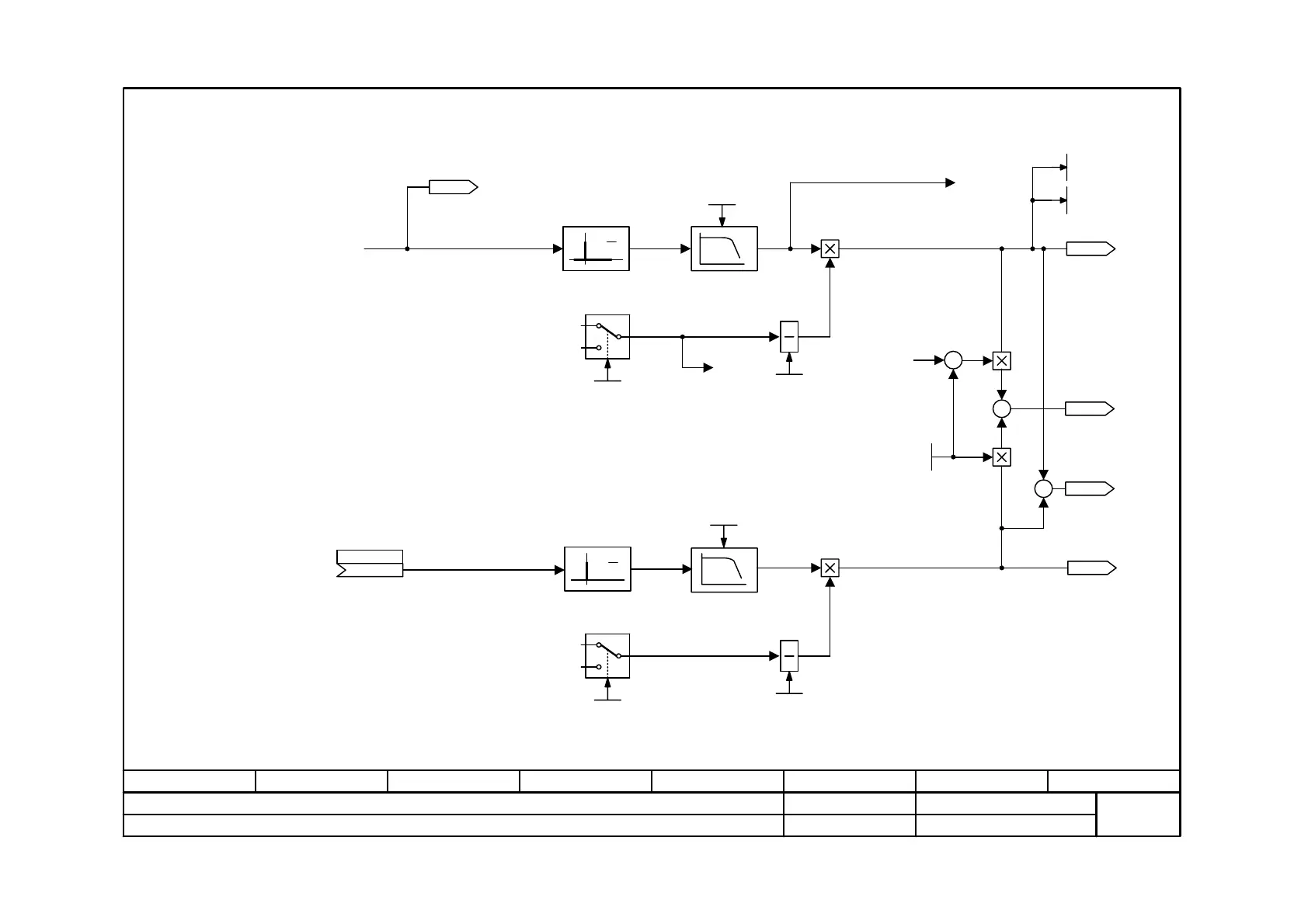
Function diagram
87654321
fp_mc_500a_e.vsd
Set speed values
MASTERDRIVES MC
23.10.02
- 500a -
V2.5
Theta(mech.) from motor encoder
Resolver: [230]
Encoder: [240]
Pulse encoder: [250]
Absolute-val. encoder: [260]
d
dt
0000 0000h = 0°
8000 0000h = 180°
FFFF FFFFh = 359.99...°
1
f
d
dt
0
1
1
-1
0000 0000h = 0°
8000 0000h = 180°
FFFF FFFFh = 359.99...°
1
f
x
y
0
1
1
-1
x
y
100 %
omega for current control,
e.m.f. calculation, KT
estimator, Tr-adaption, etc.
The filter is switched
off for P231.1 = 0.
The filter is switched
off for P231.2 = 0.
[330.5]
[370.8]
Factor: clockwise/anti-
clockwise
+
+
+
[390]
The KK90 can be connected to this input. Or, likewise, the
KK104 provided one of the following external encoders can
be evaluated with an SBM2 module:
P135 SelExtEncDSP =
3 Encoder
4 Multiturn encoder
7 Encoder without C/D track
+
(If a connector other than KK90 or
KK104 is connected to P244, the
value is merely filtered and output
to KK101. KK99 and KK102 are
not taken into account here.)
P130 Select MotEncod
0 Auto. encoder detection / without encoder
1 Resolver 2-pole (slot C)
2 Resolver ZpMot (slot C)
3 Encoder (slot C)
4 Multiturn encoder (slot C)
5 Pulse encoder (slot C)
6 Pulse encoder
(Slot B with Compact PLUS
Slot A with Compact/chassis units
without motor temperature detection
7 Encoder without C/D track
KK0090
Theta(mech.)
KK0091
n(act)
n(act)
r002
n(act)-Filter
0 ... 500 Hz
P231.1 (0)
0 / 1
Cl/AntiClRot
P596 (0)
n(act)-Filter
0 ... 500 Hz
P231.2 (0)
1..10000
MachRefSpeed.
P355.1/.2 (3000.0000)
0 / 1
Cl/AntiClRot
P595 (0)
0..10000
RefSpeed
P353.1 /.2 (3000.0000)
KK0101
n.ext_enc
KK
P244 (0)
Q.speed ext.
Speed mix
0.00 % ... 100.00 %
P599 (0.00 %)
KK0099
n.mix
KK102
n.differential
Speed actual-value
r441

Table of Contents

Other manuals for Siemens simovert masterdrives

Related product manuals