EasyManua.ls Logo

Siemens simovert masterdrives - Page 1026

Siemens simovert masterdrives
1547 pages
Print Icon
To Next Page IconTo Next Page
To Next Page IconTo Next Page
To Previous Page IconTo Previous Page
To Previous Page IconTo Previous Page
Loading...
Function diagram
87654321
fp_mc_501_e.vsd
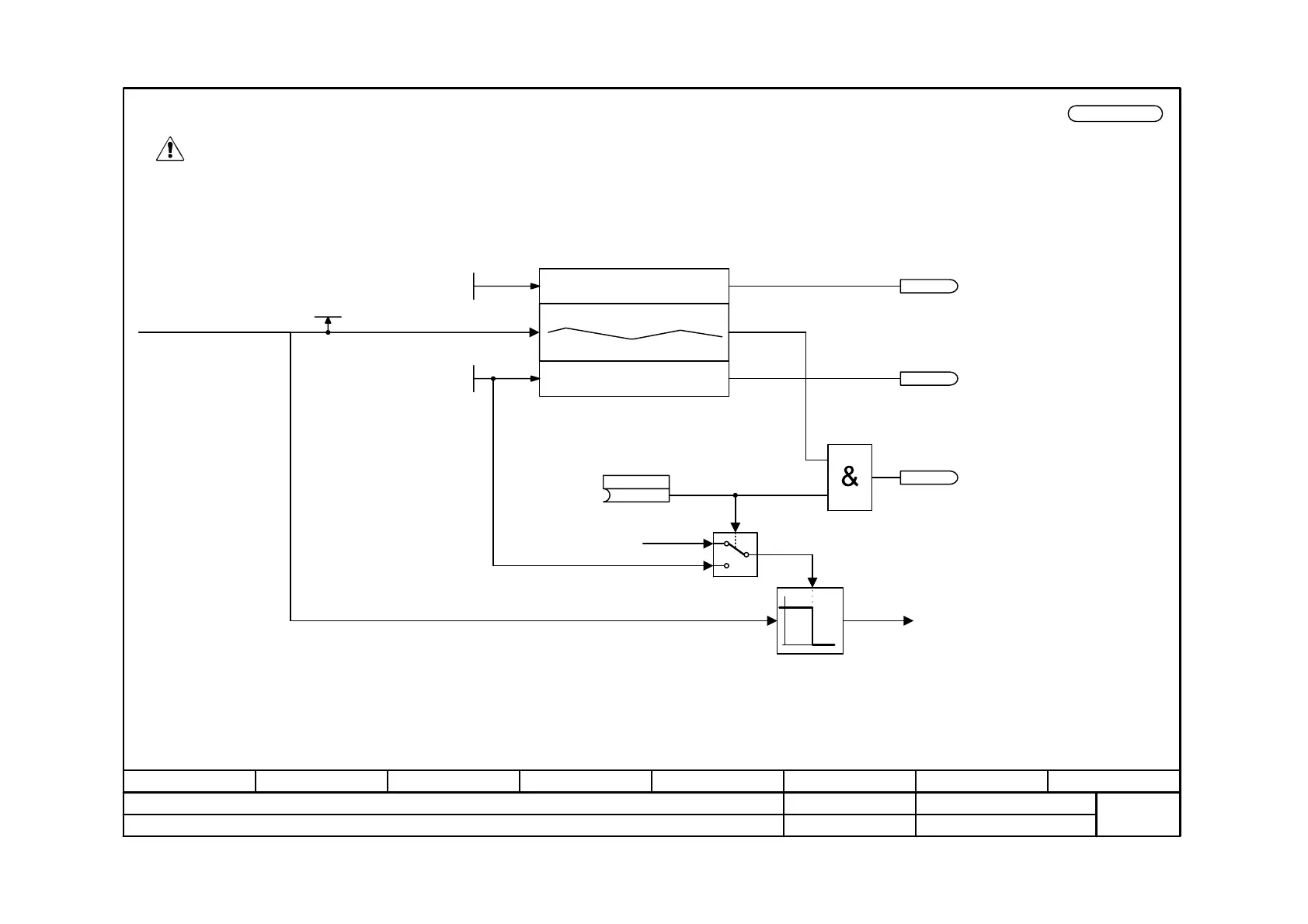
DC link voltage reduction
MASTERDRIVES MC
08.01.02
-501 -
V2.5
V
dc_link
> Reduced V
dc_link_max
V
dc_link
< Reduced V
dc_link,MIN
DC link voltage
of [500.4] V
dc_link
(act)
V
dc_link
within reduced voltage mode limits
0,76 x V
dc_link
(nom.)
F002 Precharging fault
F008 DC_link Undervoltage
When using the reduced voltage mode, pay attention to the following:
If the DC link voltage V
dc_link
rises from the reduced range to the chopper switch-in threshold in
less than 3 s (as a result of heavy braking), proper functioning of the chopper cannot be assured.
The chopper can possibly fail to turn on, which will cause the converter or inverter to cut out as a
result of fault F006 "Overvoltage".
Caution: The DC link voltage may never be suddenly increased again.
0
1
n957.83 = 4
Reduced V
dc_link,MAX
10 ... 510 V
U837.2 (380 V)
DC link voltage
r006
B0858
U
dc_link
> Reduced V
dc_link,MAX
B0859
V
dc_link
< Reduced V
dc_link,MIN
B0856
Emerg/Reduced voltage mode
B
U838 (0)
Q.Sel.red.V
dc_link
Reduced V
dc_link,MIN
10 ... 510 V
U837.1 (380 V)

Table of Contents

Other manuals for Siemens simovert masterdrives

Related product manuals